Piezo Hannas (WuHan) Tech Co, .Ltd. Proveedor profesional de elementos piezocerámicos
Productos
Usted está aquí: Hogar / Productos / Transductores ultrasónicos / Transducer for Flowmeter / transductor ultrasónico de alta temperatura del flujómetro 145Khz en los míos

Categoría de productos

Realimentación

loading

Compartir con:
sharethis sharing button

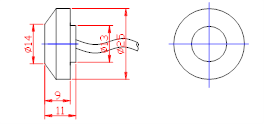
transductor ultrasónico de alta temperatura del flujómetro 145Khz en los míos

Aplicación: El transductor está para el contador de flujo ultrasónico de aire de mina, que se utilice para medir todas las clases de circulación de aire del túnel en mina
Cantidad:
  • PH145F00310

  • Piezohannas

  • PH145F00310

Item

Parámetros  

Frecuencia centralkilociclo

el 145KHZ±4%

Anchura de banda

12kHz

Sensibilidad comprensiva 0dB=5 Vp-pOnda continua, distancia: los 5cm

- minuto 34dB

Ángulo de haz- 3dB muy abierto

14±2°

Capacitancia estática

el 650PF±20%

Resistencia paralela (mínimo)

el 700Ω±30%

Voltaje de funcionamiento (maximizar)

Onda de Pluse (ciclo de deber el 2%)

<500V

temperatura de trabajo

-20~70

Nivel del IP

IP65

Material del caso

ABS



Imagen:


{UL5LGP0ZANPZ $KS8QP.png (ULTRAVIOLETA}K) [IV0QS2@$3D {WL_C6H0L7.png



Resistencia total de la frecuencia                              Frecuencia - curva de la fase


) 5$@@ (123S$R} 8J4K4} NR3.png}] `T77 [HDXBPGPYWARL2JL7.png




La prueba de sensibilidad:


Voltaje del lanzamiento:5Vp-pCWDistancia:los 5cm



R56GH_G8Q2T06@M4BRQ) (F.png



Curva del ángulo punteagudo



R [{} `del PA 467K37 (A0JV) LY@E.png






Anterior: 
Siguiente: 

Productos calientes

Tecnología piezoeléctrica Co de Hannas (WuHan). El Ltd es fabricante de equipamiento ultrasónico profesional, dedicado a la tecnología ultrasónica y a las aplicaciones industriales.                                    
 

RECOMENDAR

CONTÁCTENOS

Agregar: No.456 Wu Luo Road, distrito de Wuchang, ciudad de Wuhan, provincia de HuBei, China.
Email:  sales@piezohannas.com
Teléfono: +86 27 81708689        
Teléfono: +86 15927286589          
QQ: 1553242848 
Skype: live:mary_14398
       
Copyright 2017 Piezo Hannas (WuHan) Tech Co, .Ltd. Todos los derechos reservados.
Productos