| Estado de Disponibilidad: | |
|---|---|
| Cantidad: | |
PHW-1 M-W
Piezohannas
PHW-1M-W
Transductor ultrasónico de 1MHz de alta calidad para medición de 3 m de profundidad
1. Introducción
USundoder de Nderwatertransductor Utiliza ondas ultrasónicas para transmitir bajo el agua, y se refleja hacia atrás cuando cumplen con el objeto medido. Puede detectar la distancia entre el sensor y el objeto medido y luego se transmite a los barcos, las boyas, los vehículos aéreos no tripulados subacuáticos, etc. como un escalofriante, puede También se utilizará para la medición de distancia subacuática.
El nivel de protección del producto alcanza el nivel IP68, y puede empaparse durante mucho tiempo bajo el agua 100 metros sin daños.(Tenga en cuenta que la parte de la salida del cable del instrumento debe estar sellada de manera confiable después del cableado para evitar el agua)
2. Parámetros técnicos:
Elementos | Parámetros técnicos | Imagen | |
Nombre | 1MHZTransductor ultrasónico submarino |
| |
Modelo | PHW-1M-W | ||
Frecuencia | 1MHz±5% | ||
Distancia de detección | 0.10~3.0m | ||
Mínimo Paralelo Lmpeedance | 15Ω ± 20% | ||
2500PF ± 20%@ 1khz | |||
Sensibilidad | Voltaje de conducción: 24 VPP, Distancia: 0.3m, Amplitud de eco: 2.0 V | ||
-10~+50 ℃ | |||
5MPA | |||
| (Amplitud de rayo) Ancho de haz de media potencia @ -3db: 3.0 ° ± 0.5, Ángulo afilado: 7.0 ° ± 1 | ||
Alojamiento Material | 316 | ||
Uso | Finder de rango submarino | ||
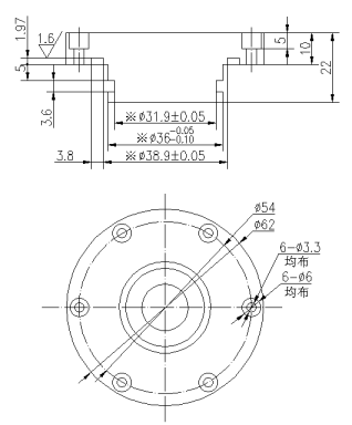
Ver el dibujo de la estructura del producto. | |||
Nivel de protección | IP68 | ||
Peso | 270g ± 5% (Lengreído:1M) | ||
Instrucciones de cableado | Rojo +, blanco-; Amarillo, blanco:losdospolosde MF58 THERMORECEPTOR; | ||
Curva de admitancia | Diagrama de la estructura del producto | ||
| |||
3. Diagrama esquemático del sensor de temperatura del transductor, diagrama esquemático del circuito de prueba
Transductor ultrasónico de 1MHz de alta calidad para medición de 3 m de profundidad
1. Introducción
USundoder de Nderwatertransductor Utiliza ondas ultrasónicas para transmitir bajo el agua, y se refleja hacia atrás cuando cumplen con el objeto medido. Puede detectar la distancia entre el sensor y el objeto medido y luego se transmite a los barcos, las boyas, los vehículos aéreos no tripulados subacuáticos, etc. como un escalofriante, puede También se utilizará para la medición de distancia subacuática.
El nivel de protección del producto alcanza el nivel IP68, y puede empaparse durante mucho tiempo bajo el agua 100 metros sin daños.(Tenga en cuenta que la parte de la salida del cable del instrumento debe estar sellada de manera confiable después del cableado para evitar el agua)
2. Parámetros técnicos:
Elementos | Parámetros técnicos | Imagen | |
Nombre | 1MHZTransductor ultrasónico submarino |
| |
Modelo | PHW-1M-W | ||
Frecuencia | 1MHz±5% | ||
Distancia de detección | 0.10~3.0m | ||
Mínimo Paralelo Lmpeedance | 15Ω ± 20% | ||
2500PF ± 20%@ 1khz | |||
Sensibilidad | Voltaje de conducción: 24 VPP, Distancia: 0.3m, Amplitud de eco: 2.0 V | ||
-10~+50 ℃ | |||
5MPA | |||
| (Amplitud de rayo) Ancho de haz de media potencia @ -3db: 3.0 ° ± 0.5, Ángulo afilado: 7.0 ° ± 1 | ||
Alojamiento Material | 316 | ||
Uso | Finder de rango submarino | ||
Ver el dibujo de la estructura del producto. | |||
Nivel de protección | IP68 | ||
Peso | 270g ± 5% (Lengreído:1M) | ||
Instrucciones de cableado | Rojo +, blanco-; Amarillo, blanco:losdospolosde MF58 THERMORECEPTOR; | ||
Curva de admitancia | Diagrama de la estructura del producto | ||
| |||
3. Diagrama esquemático del sensor de temperatura del transductor, diagrama esquemático del circuito de prueba