| Estado de Disponibilidad: | |
|---|---|
| Cantidad: | |
PHA-112-02A
Piezohannas
PHA-112-02A
Transductores de carcasa de PVDF Ultrasonido para sensor de nivel de ultrasonido
Parámetros técnicos:
Elementos | Parámetros técnicos | Imagen | |
Nombre | Transductor anticorrosivo de 110kHz |
| |
Modelo | PHA-112-02A | ||
Frecuencia | 105 kHz ± 5% | ||
Distancia de detección | 0.15~2m | ||
Lmpedance paralelo mínimo | 200Ω ± 20% | ||
1600pf ± 20%@1kHz | |||
Sensibilidad | Sin voltaje de conducción de carga: 300 VPP,Distancia: 0.3m, Amplitud de eco: 90mv | ||
-40~+80 ℃ | |||
≤3kilos o 0.3MPA | |||
(Amplitud de rayo) Ancho de haz de media potencia@-3db:6.9 ° ± 10%, Ángulo agudo: 16.2 ° ± 10% | |||
Material de la carcasa | PVDF | ||
uso | Indicador de nivel ultrasónico | ||
Nivel de protección | IP68 | ||
Peso | 21g ± 5% | ||
Instrucciones de cableado | interfaz: rojo: transductor +, blanco: transductor -, negro: alambre blindado, (el sensor de temperatura es opcional) | ||
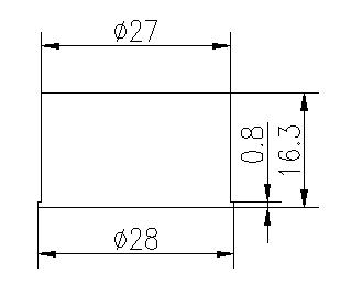
Curva de admisión | Diagrama de estructura del producto | ||
| | ||
Diagrama de bloques de transductor de distancia ultrasónica :
Diagrama esquemático del sensor de temperatura (Modelo: MF58_502F3470):
Instrucción de cable de tipo integrado:
1. Instrucción de cableado del transductor: interfaz (3pin, terminal de 2.54 mm)
Rojo: Transductor +
Blanco: transductor -
Negro: blindaje
2. Instrucción del cable del sensor de temperatura: interfaz (3pin, terminal de 2.0 mm)
El rojo y el negro son el cableado del sensor de temperatura
Tipo de división: Cable estándar de 10 m, con cada cable adicional de 50 m, la atenuación de la señal es de 6dB
Instrucciones de cableado de tres núcleos:
Rojo: Transductor +
Azul: Sensor de temperatura +
Negro: público-
Instrucciones de cableado de cuatro núcleos:
Rojo: Transductor +
Amarillo: transductor-
Azul, negro: sensor de temperatura
¿Qué entra en la creación de un transductor?
El componente principal de un transductor de profundidad es el elemento piezocerámico. Es la parte que convierte los pulsos eléctricos en ondas de sonido, y cuando el Los ecos regresan, el elemento piezocerámico convierte las ondas de sonido en energía eléctrica. Los elementos piezocerámicos a menudo están en forma de disco, pero también pueden tener la forma de una barra o un anillo. Un transductor puede contener un elemento o una serie de elementos vinculados juntos llamado matriz. A El transductor está compuesto por seis componentes separados:
En ultrasónico sin contacto Medición de nivel, el sensor emite pulsos ultrasónicos en la dirección del medio, que luego los refleja hacia atrás. El tiempo transcurrido desde la emisión hasta la recepción de las señales es proporcional al nivel en el tanque. Los sensores ultrasónicos son ideales para aplicaciones estándar simples, ambos para líquidos y para sólidos.
Transductores de carcasa de PVDF Ultrasonido para sensor de nivel de ultrasonido
Parámetros técnicos:
Elementos | Parámetros técnicos | Imagen | |
Nombre | Transductor anticorrosivo de 110kHz |
| |
Modelo | PHA-112-02A | ||
Frecuencia | 105 kHz ± 5% | ||
Distancia de detección | 0.15~2m | ||
Lmpedance paralelo mínimo | 200Ω ± 20% | ||
1600pf ± 20%@1kHz | |||
Sensibilidad | Sin voltaje de conducción de carga: 300 VPP,Distancia: 0.3m, Amplitud de eco: 90mv | ||
-40~+80 ℃ | |||
≤3kilos o 0.3MPA | |||
(Amplitud de rayo) Ancho de haz de media potencia@-3db:6.9 ° ± 10%, Ángulo agudo: 16.2 ° ± 10% | |||
Material de la carcasa | PVDF | ||
uso | Indicador de nivel ultrasónico | ||
Nivel de protección | IP68 | ||
Peso | 21g ± 5% | ||
Instrucciones de cableado | interfaz: rojo: transductor +, blanco: transductor -, negro: alambre blindado, (el sensor de temperatura es opcional) | ||
Curva de admisión | Diagrama de estructura del producto | ||
| | ||
Diagrama de bloques de transductor de distancia ultrasónica :
Diagrama esquemático del sensor de temperatura (Modelo: MF58_502F3470):
Instrucción de cable de tipo integrado:
1. Instrucción de cableado del transductor: interfaz (3pin, terminal de 2.54 mm)
Rojo: Transductor +
Blanco: transductor -
Negro: blindaje
2. Instrucción del cable del sensor de temperatura: interfaz (3pin, terminal de 2.0 mm)
El rojo y el negro son el cableado del sensor de temperatura
Tipo de división: Cable estándar de 10 m, con cada cable adicional de 50 m, la atenuación de la señal es de 6dB
Instrucciones de cableado de tres núcleos:
Rojo: Transductor +
Azul: Sensor de temperatura +
Negro: público-
Instrucciones de cableado de cuatro núcleos:
Rojo: Transductor +
Amarillo: transductor-
Azul, negro: sensor de temperatura
¿Qué entra en la creación de un transductor?
El componente principal de un transductor de profundidad es el elemento piezocerámico. Es la parte que convierte los pulsos eléctricos en ondas de sonido, y cuando el Los ecos regresan, el elemento piezocerámico convierte las ondas de sonido en energía eléctrica. Los elementos piezocerámicos a menudo están en forma de disco, pero también pueden tener la forma de una barra o un anillo. Un transductor puede contener un elemento o una serie de elementos vinculados juntos llamado matriz. A El transductor está compuesto por seis componentes separados:
En ultrasónico sin contacto Medición de nivel, el sensor emite pulsos ultrasónicos en la dirección del medio, que luego los refleja hacia atrás. El tiempo transcurrido desde la emisión hasta la recepción de las señales es proporcional al nivel en el tanque. Los sensores ultrasónicos son ideales para aplicaciones estándar simples, ambos para líquidos y para sólidos.