| Estado de Disponibilidad: | |
|---|---|
| Cantidad: | |
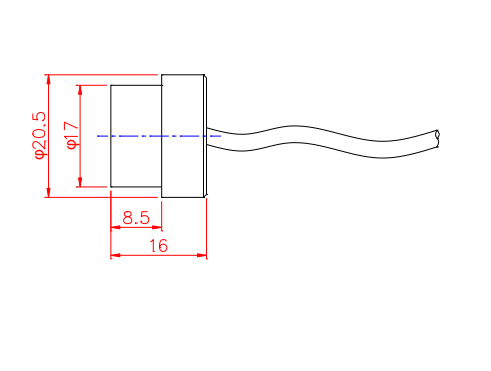
PH1000-01
Piezohannas
PH1000-01
Transductores ultrasónicos de bajo costo de 1 mHz para medidores de agua
1.El propósito principal:
Utilizado para la medición del flujo de agua
Medición precisa con líquido a distancias cortas
2. Features:
Tamaño pequeño, fácil de instalar
Alta sensibilidad, pequeña vibración residual, banda ancha, precisión de la prueba
Larga vida laboral
3. Parámetros técnicos:
Nombre | Especificación | Artículo | Especificación |
tipo de producto | Transductor de medidor de flujo ultrasónico | valor de resistenciaZ (Ω) | 200Ω ± 30% |
Modelo del Producto | Ph1000-01 | Voltaje de conducción máximo | 300V |
Cerámica piezoeléctricaFrequisito F (khz) | 1.00MHz ± 2% | Temperatura de funcionamiento(℃) | 4 ~+50 ℃ |
Frecuencia de transductorF (khz) | 1.00MHz ± 3% | temperatura de almacenamiento(℃) | -30 ~+80 ℃ |
ancho de banda △ f(submarino) | ± 10% | Grado de impermeabilización | IP68 |
Vibración residual de transductor | ˂ 30 μs | Material de la cáscara | PPS(sulfuro de polifenileno) |
sensibilidad general(V) (0dB = 3VP-P 8pulses L = 80 mm) |
> 200 mv |
especificación de cable |
Cable de escudo único 40 cm |
ángulo de haz °(-3db) | 6 ° | resistencia a la corrosión | Ácido débil resistente al álcali débil |
capacitancia electrostática (PF) | 1200pf ± 20% | peso(gramo) | 16g/ordenador personal |
Observación | TalladeLa estructura del transductor se puede personalizar de acuerdo con las necesidades del usuario. | ||
4. Curva de impedancia:
5. Prueba de sensibilidad
Aplicación del medidor de agua:
La medición de agua es la práctica de medir el uso del agua. Los medidores de agua miden el volumen de agua utilizado por unidades de construcción residenciales y comerciales que son suministradas con agua por un sistema público de suministro de agua. También se utilizan para determinar el flujo a través de una parte particular del sistema.
Transductores ultrasónicos de bajo costo de 1 mHz para medidores de agua
1.El propósito principal:
Utilizado para la medición del flujo de agua
Medición precisa con líquido a distancias cortas
2. Features:
Tamaño pequeño, fácil de instalar
Alta sensibilidad, pequeña vibración residual, banda ancha, precisión de la prueba
Larga vida laboral
3. Parámetros técnicos:
Nombre | Especificación | Artículo | Especificación |
tipo de producto | Transductor de medidor de flujo ultrasónico | valor de resistenciaZ (Ω) | 200Ω ± 30% |
Modelo del Producto | Ph1000-01 | Voltaje de conducción máximo | 300V |
Cerámica piezoeléctricaFrequisito F (khz) | 1.00MHz ± 2% | Temperatura de funcionamiento(℃) | 4 ~+50 ℃ |
Frecuencia de transductorF (khz) | 1.00MHz ± 3% | temperatura de almacenamiento(℃) | -30 ~+80 ℃ |
ancho de banda △ f(submarino) | ± 10% | Grado de impermeabilización | IP68 |
Vibración residual de transductor | ˂ 30 μs | Material de la cáscara | PPS(sulfuro de polifenileno) |
sensibilidad general(V) (0dB = 3VP-P 8pulses L = 80 mm) |
> 200 mv |
especificación de cable |
Cable de escudo único 40 cm |
ángulo de haz °(-3db) | 6 ° | resistencia a la corrosión | Ácido débil resistente al álcali débil |
capacitancia electrostática (PF) | 1200pf ± 20% | peso(gramo) | 16g/ordenador personal |
Observación | TalladeLa estructura del transductor se puede personalizar de acuerdo con las necesidades del usuario. | ||
4. Curva de impedancia:
5. Prueba de sensibilidad
Aplicación del medidor de agua:
La medición de agua es la práctica de medir el uso del agua. Los medidores de agua miden el volumen de agua utilizado por unidades de construcción residenciales y comerciales que son suministradas con agua por un sistema público de suministro de agua. También se utilizan para determinar el flujo a través de una parte particular del sistema.