| Estado de Disponibilidad: | |
|---|---|
| Cantidad: | |
PHW-300K-12D
Piezohannas
PHW-300K-12D
Transductor ultrasónico subacuático de 300kHz multibeam para un caudalímetro ultrasónico
Parámetros técnicos:
Elementos | Parámetros técnicos | Imagen | |
Nombre | 300khzTransductor ultrasónico submarino multibeam |
| |
Modelo | PHW-300k-12d | ||
Frecuencia | 300khz ±5% | ||
Mínimo paralelo lmpeedance | 150Ω ± 20% | ||
2800PF ± 20%@ 1khz | |||
Sensibilidad | dsaltovoltaje:200VPP、Distancia:0.7m、 Amplitud de eco800 MV | ||
-40~+ 80 ℃ | |||
≤10Kilos o 1MPA | |||
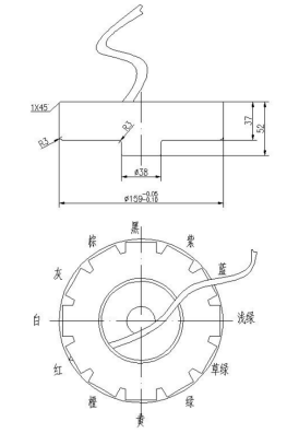
Ver Estructura del producto Dibujo para más detalles | |||
Material de la carcasa | abdominales | ||
uso | Medidor de flujo ultrasónico, telefónica bajo el agua | ||
Nivel de protección | IP68 | ||
Peso | 1900g ± 5% (Longitud de cable:10m) | ||
Instrucciones de cableado | Collet negro: polo negativo común de transductor; Collet rojo: polo positivo de transductor (vea el diagrama de la estructura del producto para la posición correspondiente); | ||
Curva de admitancia | Diagrama de la estructura del producto | ||
| |||
Diagrama de bloques del transductor ultrasónico:
Diagrama esquemático del sensor de temperatura. (Modelo: MF58_502F3470):
Instrucción de cable de tipo integrado:
1. Instrucción relacionada con el transductor: interfaz (3pin, terminal de 2.54 mm)
Rojo: Transductor +
Blanco: Transductor -
Negro: blindaje
2.Cable instrucción de sensor de temperatura: interfaz (3pin, terminal de 2.0 mm)
Rojo y negro son el cableado del sensor de temperatura.
Tipo de división: cable de 10 m estándar, con cada 50 m adicionales de cable, la atenuación de la señal es 6dB
Instrucciones de cableado de tres núcleos:
Rojo: Transductor +
Azul: Sensor de temperatura +
Negro: Public-
Instrucciones de cableado de cuatro núcleos:
Rojo: Transductor +
Amarillo: Transducidor-
Azul, negro: sensor de temperatura
Transductor ultrasónico subacuático de 300kHz multibeam para un caudalímetro ultrasónico
Parámetros técnicos:
Elementos | Parámetros técnicos | Imagen | |
Nombre | 300khzTransductor ultrasónico submarino multibeam |
| |
Modelo | PHW-300k-12d | ||
Frecuencia | 300khz ±5% | ||
Mínimo paralelo lmpeedance | 150Ω ± 20% | ||
2800PF ± 20%@ 1khz | |||
Sensibilidad | dsaltovoltaje:200VPP、Distancia:0.7m、 Amplitud de eco800 MV | ||
-40~+ 80 ℃ | |||
≤10Kilos o 1MPA | |||
Ver Estructura del producto Dibujo para más detalles | |||
Material de la carcasa | abdominales | ||
uso | Medidor de flujo ultrasónico, telefónica bajo el agua | ||
Nivel de protección | IP68 | ||
Peso | 1900g ± 5% (Longitud de cable:10m) | ||
Instrucciones de cableado | Collet negro: polo negativo común de transductor; Collet rojo: polo positivo de transductor (vea el diagrama de la estructura del producto para la posición correspondiente); | ||
Curva de admitancia | Diagrama de la estructura del producto | ||
| |||
Diagrama de bloques del transductor ultrasónico:
Diagrama esquemático del sensor de temperatura. (Modelo: MF58_502F3470):
Instrucción de cable de tipo integrado:
1. Instrucción relacionada con el transductor: interfaz (3pin, terminal de 2.54 mm)
Rojo: Transductor +
Blanco: Transductor -
Negro: blindaje
2.Cable instrucción de sensor de temperatura: interfaz (3pin, terminal de 2.0 mm)
Rojo y negro son el cableado del sensor de temperatura.
Tipo de división: cable de 10 m estándar, con cada 50 m adicionales de cable, la atenuación de la señal es 6dB
Instrucciones de cableado de tres núcleos:
Rojo: Transductor +
Azul: Sensor de temperatura +
Negro: Public-
Instrucciones de cableado de cuatro núcleos:
Rojo: Transductor +
Amarillo: Transducidor-
Azul, negro: sensor de temperatura