| Estado de Disponibilidad: | |
|---|---|
| Cantidad: | |
PHW-3.1m-5
Piezohannas
PHW-3.1M-5
Transductor ultrasónico piezoeléctrico de acero inoxidable de 3MHz para el medidor de flujo ultrasónico
Parámetros técnicos:
Elementos | Parámetros técnicos | Imagen | |
Nombre | Transductor ultrasónico 3.1MHz |
| |
Modelo | PHW-3.1METRO-5 | ||
Frecuencia | 3.1MHZ ±5% | ||
Mínimo paralelo lmpeedance | 7.5Ω ± 20% | ||
12000PF ± 20%@ 1khz | |||
Sensibilidad | dsaltovoltaje:24v、Distancia:0.3m、Amplitud de eco:2.0V | ||
-40~+ 80 ℃ | |||
≤10Kilos o 1MPA | |||
(Amplitud de rayo) Ancho de haz de media potencia@ -3db:0.8° ±10%, Ángulo agudo:1.9° ±10% | |||
Material de la carcasa | 304 | ||
uso | medidor de flujo ultrasónico,Finder de rango submarino | ||
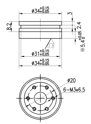
Ver Estructura del producto Dibujo para más detalles | |||
Nivel de protección | IP68 | ||
Peso | 74g ± 5% (Longitud de cable::1m) | ||
Instrucciones de cableado | Rojo: Transductor +, blanco: transductor -, negro: alambre blindado; ( sensor de temperaturaes opcional) | ||
Curva de admitancia | Diagrama de la estructura del producto | ||
| |||
Diagrama de bloques del transductor ultrasónico:
Diagrama esquemático del sensor de temperatura. (Modelo: MF58_502F3470):
Instrucción de cable de tipo integrado:
1. Instrucción relacionada con el transductor: interfaz (3pin, terminal de 2.54 mm)
Rojo: Transductor +
Blanco: Transductor -
Negro: blindaje
2.Cable instrucción de sensor de temperatura: interfaz (3pin, terminal de 2.0 mm)
Rojo y negro son el cableado del sensor de temperatura.
Tipo de división: cable de 10 m estándar, con cada 50 m adicionales de cable, la atenuación de la señal es 6dB
Instrucciones de cableado de tres núcleos:
Rojo: Transductor +
Azul: Sensor de temperatura +
Negro: Public-
Instrucciones de cableado de cuatro núcleos:
Rojo: Transductor +
Amarillo: Transducidor-
Azul, negro: sensor de temperatura
Aplicación de flujo ultrasónico:
Los medidores de flujo de agua ultrasonidos miden la velocidad de fluido que pasa a través de la tubería usando ecografía para medir el flujo volumétrico. En un medidor de flujo de líquido ultrasónico de tiempo de tránsito, se transmite una señal ultrasónica en la dirección del fluido que fluye hacia abajo, y luego se transmite otra señal contra el fluido que fluye hacia arriba. En su forma más básica, el tiempo para que el pulso Sonico para viajar hacia abajo se compara con el tiempo para que el pulso viaje ascendente. Usando este tiempo diferencial, se calcula la velocidad del siguiente fluido. Luego, el medidor calcula el caudal volumétrico en la tubería con esta velocidad de fluido. Además, la medición de la energía BTU se puede derivar del caudal volumétrico y la diferencia de temperatura entre las patas calientes y frías. Los medidores ultrasónicos de la abrazadera pueden medir el agua del exterior de la tubería al disparar los pulsos de sonido a través de las paredes de la tubería, teniendo así la flexibilidad de la aplicación y que las hacen adecuadas para mediciones de flujo de agua en tuberías grandes.
Transductor ultrasónico piezoeléctrico de acero inoxidable de 3MHz para el medidor de flujo ultrasónico
Parámetros técnicos:
Elementos | Parámetros técnicos | Imagen | |
Nombre | Transductor ultrasónico 3.1MHz |
| |
Modelo | PHW-3.1METRO-5 | ||
Frecuencia | 3.1MHZ ±5% | ||
Mínimo paralelo lmpeedance | 7.5Ω ± 20% | ||
12000PF ± 20%@ 1khz | |||
Sensibilidad | dsaltovoltaje:24v、Distancia:0.3m、Amplitud de eco:2.0V | ||
-40~+ 80 ℃ | |||
≤10Kilos o 1MPA | |||
(Amplitud de rayo) Ancho de haz de media potencia@ -3db:0.8° ±10%, Ángulo agudo:1.9° ±10% | |||
Material de la carcasa | 304 | ||
uso | medidor de flujo ultrasónico,Finder de rango submarino | ||
Ver Estructura del producto Dibujo para más detalles | |||
Nivel de protección | IP68 | ||
Peso | 74g ± 5% (Longitud de cable::1m) | ||
Instrucciones de cableado | Rojo: Transductor +, blanco: transductor -, negro: alambre blindado; ( sensor de temperaturaes opcional) | ||
Curva de admitancia | Diagrama de la estructura del producto | ||
| |||
Diagrama de bloques del transductor ultrasónico:
Diagrama esquemático del sensor de temperatura. (Modelo: MF58_502F3470):
Instrucción de cable de tipo integrado:
1. Instrucción relacionada con el transductor: interfaz (3pin, terminal de 2.54 mm)
Rojo: Transductor +
Blanco: Transductor -
Negro: blindaje
2.Cable instrucción de sensor de temperatura: interfaz (3pin, terminal de 2.0 mm)
Rojo y negro son el cableado del sensor de temperatura.
Tipo de división: cable de 10 m estándar, con cada 50 m adicionales de cable, la atenuación de la señal es 6dB
Instrucciones de cableado de tres núcleos:
Rojo: Transductor +
Azul: Sensor de temperatura +
Negro: Public-
Instrucciones de cableado de cuatro núcleos:
Rojo: Transductor +
Amarillo: Transducidor-
Azul, negro: sensor de temperatura
Aplicación de flujo ultrasónico:
Los medidores de flujo de agua ultrasonidos miden la velocidad de fluido que pasa a través de la tubería usando ecografía para medir el flujo volumétrico. En un medidor de flujo de líquido ultrasónico de tiempo de tránsito, se transmite una señal ultrasónica en la dirección del fluido que fluye hacia abajo, y luego se transmite otra señal contra el fluido que fluye hacia arriba. En su forma más básica, el tiempo para que el pulso Sonico para viajar hacia abajo se compara con el tiempo para que el pulso viaje ascendente. Usando este tiempo diferencial, se calcula la velocidad del siguiente fluido. Luego, el medidor calcula el caudal volumétrico en la tubería con esta velocidad de fluido. Además, la medición de la energía BTU se puede derivar del caudal volumétrico y la diferencia de temperatura entre las patas calientes y frías. Los medidores ultrasónicos de la abrazadera pueden medir el agua del exterior de la tubería al disparar los pulsos de sonido a través de las paredes de la tubería, teniendo así la flexibilidad de la aplicación y que las hacen adecuadas para mediciones de flujo de agua en tuberías grandes.