| Estado de Disponibilidad: | |
|---|---|
| Cantidad: | |
Pha-200-01i
Piezohannas
PHA-200-01I
Transductor ultrasónico de aleación de titanio de 200kHz para medición del flujo de gases
Parámetros técnicos:
Elementos | Parámetros técnicos | Imagen | |
Nombre | 200 kHz Transductor ultrasónico | | |
Modelo | PhA-200-01i | ||
Frecuencia | 200kHz ±5% | ||
Distancia de detección | 0.10~1,5 m | ||
Mínimo Lmpedance paralelo | 1900Ω ± 20% | ||
320pf ± 20%@1kHz | |||
Sensibilidad | Voltaje de conducción:800VPP,Distancia:0.3m, Amplitud de eco:MV | ||
-40~+80 ℃ | |||
≤16kilos o 1.6MPA | |||
| (Amplitud de rayo) Ancho de haz de media potencia@-3db: 6 ° ±10%, Ángulo agudo: 15 ° ±10% | ||
Alojamiento Material | aleación de titanio | ||
Uso | medidor de flujo de gas ultrasónico | ||
Nivel de protección | IP68 | ||
Peso | 32g ± 5% (Longitud:20 centímetros) | ||
Instrucción de cableado | Interfaz integrada:Rojo+,Blanco-,Negro: alambre blindado ( El sensor de temperatura es opcional) | ||
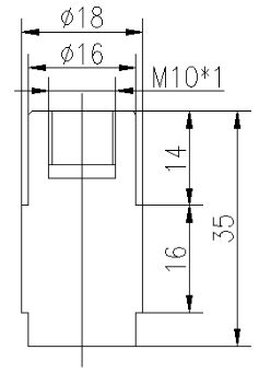
Curva de admisión | Diagrama de estructura del producto | ||
| | ||
Diagrama de bloques de transductor de distancia ultrasónica :
Diagrama esquemático del sensor de temperatura (Modelo: MF58_502F3470):
Instrucción de cable de tipo integrado:
1. Instrucción de cableado del transductor: interfaz (3pin, terminal de 2.54 mm)
Rojo: Transductor +
Blanco: transductor -
Negro: blindaje
2. Instrucción del cable del sensor de temperatura: interfaz (3pin, terminal de 2.0 mm)
El rojo y el negro son el cableado del sensor de temperatura
Tipo de división: Cable estándar de 10 m, con cada cable adicional de 50 m, la atenuación de la señal es de 6dB
Instrucciones de cableado de tres núcleos:
Rojo: Transductor +
Azul: Sensor de temperatura +
Negro: público-
Instrucciones de cableado de cuatro núcleos:
Rojo: Transductor +
Amarillo: transductor-
Azul, negro: sensor de temperatura
Solicitud de Medero de flujo de gas ultrasónico:
Aunque los medidores de flujo de gas industrial se utilizan ampliamente para aplicaciones líquidas y de agua, se ha aceptado durante mucho tiempo que la abrazadera en la tecnología del medidor de flujo de gas no se pudo aplicar a la medición del flujo de gas masivo principalmente debido a los límites de medición teóricos fundamentales. La energía sonora transmitida es recibida por transductores ultrasónicos tradicionales. Sin embargo, los avances en la sujeción de la tecnología y el procesamiento de medición del flujo de gas han significado que a pesar de los niveles más bajos de impedancia acústica y los niveles de atenuación más altos en la mayoría de los gases, una abrazadera en el medidor de flujo de gas ahora puede medir los tiempos de tránsito en gases donde las relaciones de señal / ruido son extremadamente bajo. Ahora es posible medir el gas natural, el vapor, el aire comprimido, el hidrógeno, el aire comprimido y muchos más usando la abrazadera en medidores de flujo. Una abrazadera en el medidor de flujo de gas ultrasónico produce señales que son de cinco a diez veces más potentes que las de los transductores ultrasónicos tradicionales . La nueva abrazadera en los transductores produce señales limpias y codificadas con un ruido de fondo muy mínimo. El resultado es que una abrazadera en el medidor de flujo de gas ahora puede proporcionar un rendimiento óptimo incluso con aplicaciones de gas de baja densidad.
Transductor ultrasónico de aleación de titanio de 200kHz para medición del flujo de gases
Parámetros técnicos:
Elementos | Parámetros técnicos | Imagen | |
Nombre | 200 kHz Transductor ultrasónico | | |
Modelo | PhA-200-01i | ||
Frecuencia | 200kHz ±5% | ||
Distancia de detección | 0.10~1,5 m | ||
Mínimo Lmpedance paralelo | 1900Ω ± 20% | ||
320pf ± 20%@1kHz | |||
Sensibilidad | Voltaje de conducción:800VPP,Distancia:0.3m, Amplitud de eco:MV | ||
-40~+80 ℃ | |||
≤16kilos o 1.6MPA | |||
| (Amplitud de rayo) Ancho de haz de media potencia@-3db: 6 ° ±10%, Ángulo agudo: 15 ° ±10% | ||
Alojamiento Material | aleación de titanio | ||
Uso | medidor de flujo de gas ultrasónico | ||
Nivel de protección | IP68 | ||
Peso | 32g ± 5% (Longitud:20 centímetros) | ||
Instrucción de cableado | Interfaz integrada:Rojo+,Blanco-,Negro: alambre blindado ( El sensor de temperatura es opcional) | ||
Curva de admisión | Diagrama de estructura del producto | ||
| | ||
Diagrama de bloques de transductor de distancia ultrasónica :
Diagrama esquemático del sensor de temperatura (Modelo: MF58_502F3470):
Instrucción de cable de tipo integrado:
1. Instrucción de cableado del transductor: interfaz (3pin, terminal de 2.54 mm)
Rojo: Transductor +
Blanco: transductor -
Negro: blindaje
2. Instrucción del cable del sensor de temperatura: interfaz (3pin, terminal de 2.0 mm)
El rojo y el negro son el cableado del sensor de temperatura
Tipo de división: Cable estándar de 10 m, con cada cable adicional de 50 m, la atenuación de la señal es de 6dB
Instrucciones de cableado de tres núcleos:
Rojo: Transductor +
Azul: Sensor de temperatura +
Negro: público-
Instrucciones de cableado de cuatro núcleos:
Rojo: Transductor +
Amarillo: transductor-
Azul, negro: sensor de temperatura
Solicitud de Medero de flujo de gas ultrasónico:
Aunque los medidores de flujo de gas industrial se utilizan ampliamente para aplicaciones líquidas y de agua, se ha aceptado durante mucho tiempo que la abrazadera en la tecnología del medidor de flujo de gas no se pudo aplicar a la medición del flujo de gas masivo principalmente debido a los límites de medición teóricos fundamentales. La energía sonora transmitida es recibida por transductores ultrasónicos tradicionales. Sin embargo, los avances en la sujeción de la tecnología y el procesamiento de medición del flujo de gas han significado que a pesar de los niveles más bajos de impedancia acústica y los niveles de atenuación más altos en la mayoría de los gases, una abrazadera en el medidor de flujo de gas ahora puede medir los tiempos de tránsito en gases donde las relaciones de señal / ruido son extremadamente bajo. Ahora es posible medir el gas natural, el vapor, el aire comprimido, el hidrógeno, el aire comprimido y muchos más usando la abrazadera en medidores de flujo. Una abrazadera en el medidor de flujo de gas ultrasónico produce señales que son de cinco a diez veces más potentes que las de los transductores ultrasónicos tradicionales . La nueva abrazadera en los transductores produce señales limpias y codificadas con un ruido de fondo muy mínimo. El resultado es que una abrazadera en el medidor de flujo de gas ahora puede proporcionar un rendimiento óptimo incluso con aplicaciones de gas de baja densidad.