| Estado de Disponibilidad: | |
|---|---|
| Cantidad: | |
PHA-200-01kh
Piezohannas
PHA-200-01KH
Transductor ultrasónico de 200 kHz para instrumentos de WeterStation Ultrasonic
Parámetros técnicos:
Elementos | Parámetros técnicos | Imagen | |
Nombre | 200 kHzTransductor ultrasónico |
| |
Modelo | PHA-200-01kH | ||
Frecuencia | 200khz ±5% | ||
Distancia de detección | 0.10~1.5m | ||
Mínimo Paralelo Lmpeedance | 600Ω ± 20% | ||
800PF ± 20%@ 1khz | |||
Sensibilidad | Voltaje de conducción:800VPP,Distancia:0.3m, Amplitud de eco:25mechón | ||
-40~+ 80 ℃ | |||
≤3kilos o 0.3MPA | |||
| (Amplitud de rayo) Ancho de haz de media potencia @ -3db:8.4° ±10%, Ángulo agudo:20° ±10% | ||
Alojamiento Material | Pom | ||
Uso | Anemorumbómetro Medidor de flujo de gas | ||
hilo:M8 * 1 | |||
Nivel de protección | IP68 | ||
Peso | 10g ± 5% (Lengreído:25cm) | ||
Instrucciones de cableado | integratTipo de ed:conector:Rojo +,Blanco-,Negro: Alambre blindado; (sensor de temperaturaes opcional) | ||
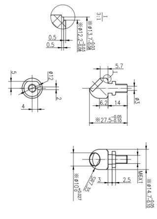
Curva de admitancia | Diagrama de la estructura del producto | ||
| |||
Diagrama de bloques de transductor de distancia ultrasónica:
Diagrama esquemático del sensor de temperatura. (Modelo: MF58_502F3470):
Instrucción de cable de tipo integrado:
1. Instrucción relacionada con el transductor: interfaz (3pin, terminal de 2.54 mm)
Rojo: Transductor +
Blanco: Transductor -
Negro: blindaje
2.Cable instrucción de sensor de temperatura: interfaz (3pin, terminal de 2.0 mm)
Rojo y negro son el cableado del sensor de temperatura.
Tipo de división: cable de 10 m estándar, con cada 50 m adicionales de cable, la atenuación de la señal es 6dB
Instrucciones de cableado de tres núcleos:
Rojo: Transductor +
Azul: Sensor de temperatura +
Negro: Public-
Instrucciones de cableado de cuatro núcleos:
Rojo: Transductor +
Amarillo: Transducidor-
Azul, negro: sensor de temperatura
Imagen de la aplicación:
Transductor ultrasónico de 200 kHz para instrumentos de WeterStation Ultrasonic
Parámetros técnicos:
Elementos | Parámetros técnicos | Imagen | |
Nombre | 200 kHzTransductor ultrasónico |
| |
Modelo | PHA-200-01kH | ||
Frecuencia | 200khz ±5% | ||
Distancia de detección | 0.10~1.5m | ||
Mínimo Paralelo Lmpeedance | 600Ω ± 20% | ||
800PF ± 20%@ 1khz | |||
Sensibilidad | Voltaje de conducción:800VPP,Distancia:0.3m, Amplitud de eco:25mechón | ||
-40~+ 80 ℃ | |||
≤3kilos o 0.3MPA | |||
| (Amplitud de rayo) Ancho de haz de media potencia @ -3db:8.4° ±10%, Ángulo agudo:20° ±10% | ||
Alojamiento Material | Pom | ||
Uso | Anemorumbómetro Medidor de flujo de gas | ||
hilo:M8 * 1 | |||
Nivel de protección | IP68 | ||
Peso | 10g ± 5% (Lengreído:25cm) | ||
Instrucciones de cableado | integratTipo de ed:conector:Rojo +,Blanco-,Negro: Alambre blindado; (sensor de temperaturaes opcional) | ||
Curva de admitancia | Diagrama de la estructura del producto | ||
| |||
Diagrama de bloques de transductor de distancia ultrasónica:
Diagrama esquemático del sensor de temperatura. (Modelo: MF58_502F3470):
Instrucción de cable de tipo integrado:
1. Instrucción relacionada con el transductor: interfaz (3pin, terminal de 2.54 mm)
Rojo: Transductor +
Blanco: Transductor -
Negro: blindaje
2.Cable instrucción de sensor de temperatura: interfaz (3pin, terminal de 2.0 mm)
Rojo y negro son el cableado del sensor de temperatura.
Tipo de división: cable de 10 m estándar, con cada 50 m adicionales de cable, la atenuación de la señal es 6dB
Instrucciones de cableado de tres núcleos:
Rojo: Transductor +
Azul: Sensor de temperatura +
Negro: Public-
Instrucciones de cableado de cuatro núcleos:
Rojo: Transductor +
Amarillo: Transducidor-
Azul, negro: sensor de temperatura
Imagen de la aplicación: