| Estado de Disponibilidad: | |
|---|---|
| Cantidad: | |
PHW-1M-01U
Piezohannas
PHW-1M-01U
Transductor ultrasónico de 1MHz para caudalímetro ultrasónico Doppler
Parámetros técnicos:
Elementos | Parámetros técnicos | Imagen | |
Nombre | Transductor ultrasónico de 1MHz |
| |
Modelo | PHW-1m-01U | ||
Frecuencia | 1MHZ ±5% | ||
Distancia de detección | 0.05~3m | ||
Mínimo Paralelo Lmpeedance | 15Ω ± 20% | ||
3000PF ± 20%@ 1khz | |||
Sensibilidad | Voltaje de conducción:24 v、Distancia:0.3m、 Amplitud de eco:1000 MV | ||
-40~+ 80 ℃ | |||
≤10Kilos o 1MPA | |||
| (Amplitud de rayo) Ancho de haz de media potencia@ -3db:2.4° ±0.5, Ángulo agudo:5.6° ±1 | ||
Alojamiento Material | material compuesto | ||
Uso | DopplerEfectomedidor de flujo ultrasónico | ||
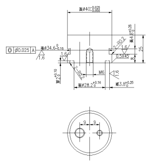
Ver el dibujo de la estructura del producto. | |||
Nivel de protección | IP68 | ||
Peso | g ± 5% (Lengreído:m) | ||
Instrucciones de cableado | Blanco-,Negro-alambre blindado; (sensor de temperaturaes opcional) | ||
Curva de admitancia | Diagrama de la estructura del producto | ||
| |||
Diagrama de bloques de transductor ultrasónico:
Diagrama esquemático del sensor de temperatura:
Instrucción de cable de tipo dividido:
El cable estándar es de 10 m, la señal atenuará 6dB por cada 50 m de alambre.
1. Tres instrucciones de cableado básico:
Rojo: Transductor +
Azul: sensor de temperatura +
Negro: pública -
Flujo medidor ultrasónico de aplicación:
El uso del medidor de flujo ultrasónico Efecto Doppler refleja el sonido ultrasónico medir la velocidad del fluido. Midiendo el desplazamiento de frecuencia entre la fuente de ultrasonidos de frecuencia, el receptor, y el vehículo fluido, se mide el movimiento relativo. El desplazamiento de la frecuencia resultante se denomina el efecto Doppler.
Transductor ultrasónico de 1MHz para caudalímetro ultrasónico Doppler
Parámetros técnicos:
Elementos | Parámetros técnicos | Imagen | |
Nombre | Transductor ultrasónico de 1MHz |
| |
Modelo | PHW-1m-01U | ||
Frecuencia | 1MHZ ±5% | ||
Distancia de detección | 0.05~3m | ||
Mínimo Paralelo Lmpeedance | 15Ω ± 20% | ||
3000PF ± 20%@ 1khz | |||
Sensibilidad | Voltaje de conducción:24 v、Distancia:0.3m、 Amplitud de eco:1000 MV | ||
-40~+ 80 ℃ | |||
≤10Kilos o 1MPA | |||
| (Amplitud de rayo) Ancho de haz de media potencia@ -3db:2.4° ±0.5, Ángulo agudo:5.6° ±1 | ||
Alojamiento Material | material compuesto | ||
Uso | DopplerEfectomedidor de flujo ultrasónico | ||
Ver el dibujo de la estructura del producto. | |||
Nivel de protección | IP68 | ||
Peso | g ± 5% (Lengreído:m) | ||
Instrucciones de cableado | Blanco-,Negro-alambre blindado; (sensor de temperaturaes opcional) | ||
Curva de admitancia | Diagrama de la estructura del producto | ||
| |||
Diagrama de bloques de transductor ultrasónico:
Diagrama esquemático del sensor de temperatura:
Instrucción de cable de tipo dividido:
El cable estándar es de 10 m, la señal atenuará 6dB por cada 50 m de alambre.
1. Tres instrucciones de cableado básico:
Rojo: Transductor +
Azul: sensor de temperatura +
Negro: pública -
Flujo medidor ultrasónico de aplicación:
El uso del medidor de flujo ultrasónico Efecto Doppler refleja el sonido ultrasónico medir la velocidad del fluido. Midiendo el desplazamiento de frecuencia entre la fuente de ultrasonidos de frecuencia, el receptor, y el vehículo fluido, se mide el movimiento relativo. El desplazamiento de la frecuencia resultante se denomina el efecto Doppler.