| Estado de Disponibilidad: | |
|---|---|
| Cantidad: | |
Hs / m20k / 90k
Piezohannas
HS/M20K/90K
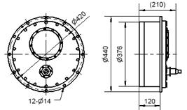
Transductor submarino piezoeléctrico de banda ancha de alta potencia para aplicaciones militares
Parámetros técnicos:
Modelo | HS / M20K / 90K (transductor de profundidad) |
|
frecuencia de resonancia | 20khz, 90khz | |
Banda de trabajo | △ f≥2khz (20khz) | |
Respuesta de voltaje de transmisión | ≥164dB (20kHz) | |
Capacitancia estática | 90000pf(20khz) | |
Directividad | 2θ-3db = (20 ± 5) ° | |
Sensibilidad libre de voltaje de campo | ≥1000μV / PA(20khz) | |
Profundidad de trabajo | 300m | |
Especificacion de cablen | Φ16mm 4 Cable blindado de núcleo | |
Peso | 65kg | |
Tipos de transductor acústico subacuático:
1. Frecuencia de calma, agua profunda, transductor de alta potencia.
Serie de transductores de transmisión de baja frecuencia: existen varios tipos de transductores de flexión, transductores de tubos circulares ranurados, transductores de flexión de deslizamiento, transductores de disco de flexión combinados, etc. La frecuencia operativa mínima ha sido tan baja como 20Hz;
Serie de transductores de aguas profundas: hay tres tipos de productos: tipo de desbordamiento, tipo de balance de presión lleno de aceite y tipo de presión autoportante, la resistencia máxima de presión ha alcanzado los 80 MPA;
Serie de transductores de transmisión de alta potencia: el nivel de fuente de sonido puede alcanzar más de 207dB cerca de 350Hz.
2. Transductor de anillo de mosaico.
La compañía tiene la capacidad de diseñar y fabricar anillos de mosaico con un diámetro de 30 mm ~ 800 mm, la frecuencia puede cubrir 0.5 kHz ~ 50kHz, el nivel de fuente de sonido de emisión más alto de un solo transductor puede alcanzar 202dB, y la banda de frecuencia de trabajo efectiva puede alcanzar Más de 2 frecuencias de octava. Su forma estructural se divide principalmente en el tipo de respaldo de aire y el tipo de desbordamiento, la profundidad de trabajo puede alcanzar 500m y 6 km respectivamente.
3. Array de línea
La compañía tiene la capacidad de diseñar y fabricar matrices lineales llenas de aceite, matrices lineales de cable y matrices lineales rígidas. La matriz llena de aceite puede realizar la matriz lineal llena de aceite con el diámetro exterior más pequeño de 20 mm, y el segmento de matriz individual más largo puede alcanzar los 80 m.
4. Transductor esférico
La compañía tiene tecnología de diseño y producción maduros para transductores esféricos. En la actualidad, ha formado una serie completa de transductores esféricos con un diámetro de 20 mm a 166 mm después del embalaje; La frecuencia de cobertura de transmisión es de 3kHz a 150 kHz; La frecuencia de cobertura de recepción es de 5Hz a 100 kHz +; La profundidad de trabajo es la más alta de hasta 5 km o más.
5. Vector Hydrophone
La compañía es la primera empresa en la industria para desarrollar hidrófonos vectoriales y sus aplicaciones de ingeniería. Los hidrófonos del vector de presión diferencial y los hidrófonos del vector de co-vibración desarrollados son estables y confiables. La banda de frecuencia de trabajo puede cubrir 5Hz ~ 120KHz, y la profundidad de trabajo máxima puede ser de hasta 3000 m. Para mejorar la idoneidad del Hidrófono del vector de co-vibración, nuestra compañía ha realizado una investigación en profundidad sobre el método de instalación, el impacto de la corriente impermeable y el modo de suspensión, etc., y realizado la instalación fija del vector hidrófono, la estructura llena de aceite y la conexión. Suspensión, etc. Una variedad de resultados, y tiene las capacidades de diseño y fabricación de matrices de línea de hidrófono vectoriales y matrices remolcadas.
Solicitud:
Investigación de acústica subacuática
Calibración de campo acústico
Aplicaciones militares y científicas.
Los transductores acústicos subacuáticos pueden contener tanto los transmisores como los receptores, o pueden transmisores únicamente utilizados junto con un hidrófono. Sensen reflejan el sonido y el uso de la distancia y los datos direccionales para la comunicación, el mapeo y la navegación. Los transductores acústicos subacuáticos tienen un rango operativo, pero generalmente se diseñan para operar en su frecuencia de resonancia para maximizar la potencia de salida. Son típicamente transmisores de frecuencia únicos, pero pueden contener múltiples transmisores y receptores para diferentes frecuencias.
Prueba de medición acústica subacuática:
La medición acústica subacuática contiene 5 conjuntos de dispositivos de prueba, incluido el sistema de medición acústica automática, dispositivo de calibración de baja frecuencia de hidrófono, sistema de medición de sensibilidad de la aceleración de hidrófono, dispositivo de medición de tubo de pulso de material hidroacústico y sistema de prueba de la estación de prueba, que están equipados para medir varios transductores. . Los parámetros relevantes del elemento de sonido y la matriz acústica, así como el rendimiento de la transmisión de reflexión y sonido de los materiales y componentes acústicos subacuáticos, estándares de prueba GB / T 7965-2002, GB / T16165-1996, GB / T7967-2002, GJB275 -1987, GB / T14369-2011, Q / 715 J 66-2011, etc. El rango de frecuencia de medición es de 20Hz a 500 kHz. La estación de prueba puede medir el rendimiento acústico subacuático de transductores grandes y matrices acústicas.
Transductor submarino piezoeléctrico de banda ancha de alta potencia para aplicaciones militares
Parámetros técnicos:
Modelo | HS / M20K / 90K (transductor de profundidad) |
|
frecuencia de resonancia | 20khz, 90khz | |
Banda de trabajo | △ f≥2khz (20khz) | |
Respuesta de voltaje de transmisión | ≥164dB (20kHz) | |
Capacitancia estática | 90000pf(20khz) | |
Directividad | 2θ-3db = (20 ± 5) ° | |
Sensibilidad libre de voltaje de campo | ≥1000μV / PA(20khz) | |
Profundidad de trabajo | 300m | |
Especificacion de cablen | Φ16mm 4 Cable blindado de núcleo | |
Peso | 65kg | |
Tipos de transductor acústico subacuático:
1. Frecuencia de calma, agua profunda, transductor de alta potencia.
Serie de transductores de transmisión de baja frecuencia: existen varios tipos de transductores de flexión, transductores de tubos circulares ranurados, transductores de flexión de deslizamiento, transductores de disco de flexión combinados, etc. La frecuencia operativa mínima ha sido tan baja como 20Hz;
Serie de transductores de aguas profundas: hay tres tipos de productos: tipo de desbordamiento, tipo de balance de presión lleno de aceite y tipo de presión autoportante, la resistencia máxima de presión ha alcanzado los 80 MPA;
Serie de transductores de transmisión de alta potencia: el nivel de fuente de sonido puede alcanzar más de 207dB cerca de 350Hz.
2. Transductor de anillo de mosaico.
La compañía tiene la capacidad de diseñar y fabricar anillos de mosaico con un diámetro de 30 mm ~ 800 mm, la frecuencia puede cubrir 0.5 kHz ~ 50kHz, el nivel de fuente de sonido de emisión más alto de un solo transductor puede alcanzar 202dB, y la banda de frecuencia de trabajo efectiva puede alcanzar Más de 2 frecuencias de octava. Su forma estructural se divide principalmente en el tipo de respaldo de aire y el tipo de desbordamiento, la profundidad de trabajo puede alcanzar 500m y 6 km respectivamente.
3. Array de línea
La compañía tiene la capacidad de diseñar y fabricar matrices lineales llenas de aceite, matrices lineales de cable y matrices lineales rígidas. La matriz llena de aceite puede realizar la matriz lineal llena de aceite con el diámetro exterior más pequeño de 20 mm, y el segmento de matriz individual más largo puede alcanzar los 80 m.
4. Transductor esférico
La compañía tiene tecnología de diseño y producción maduros para transductores esféricos. En la actualidad, ha formado una serie completa de transductores esféricos con un diámetro de 20 mm a 166 mm después del embalaje; La frecuencia de cobertura de transmisión es de 3kHz a 150 kHz; La frecuencia de cobertura de recepción es de 5Hz a 100 kHz +; La profundidad de trabajo es la más alta de hasta 5 km o más.
5. Vector Hydrophone
La compañía es la primera empresa en la industria para desarrollar hidrófonos vectoriales y sus aplicaciones de ingeniería. Los hidrófonos del vector de presión diferencial y los hidrófonos del vector de co-vibración desarrollados son estables y confiables. La banda de frecuencia de trabajo puede cubrir 5Hz ~ 120KHz, y la profundidad de trabajo máxima puede ser de hasta 3000 m. Para mejorar la idoneidad del Hidrófono del vector de co-vibración, nuestra compañía ha realizado una investigación en profundidad sobre el método de instalación, el impacto de la corriente impermeable y el modo de suspensión, etc., y realizado la instalación fija del vector hidrófono, la estructura llena de aceite y la conexión. Suspensión, etc. Una variedad de resultados, y tiene las capacidades de diseño y fabricación de matrices de línea de hidrófono vectoriales y matrices remolcadas.
Solicitud:
Investigación de acústica subacuática
Calibración de campo acústico
Aplicaciones militares y científicas.
Los transductores acústicos subacuáticos pueden contener tanto los transmisores como los receptores, o pueden transmisores únicamente utilizados junto con un hidrófono. Sensen reflejan el sonido y el uso de la distancia y los datos direccionales para la comunicación, el mapeo y la navegación. Los transductores acústicos subacuáticos tienen un rango operativo, pero generalmente se diseñan para operar en su frecuencia de resonancia para maximizar la potencia de salida. Son típicamente transmisores de frecuencia únicos, pero pueden contener múltiples transmisores y receptores para diferentes frecuencias.
Prueba de medición acústica subacuática:
La medición acústica subacuática contiene 5 conjuntos de dispositivos de prueba, incluido el sistema de medición acústica automática, dispositivo de calibración de baja frecuencia de hidrófono, sistema de medición de sensibilidad de la aceleración de hidrófono, dispositivo de medición de tubo de pulso de material hidroacústico y sistema de prueba de la estación de prueba, que están equipados para medir varios transductores. . Los parámetros relevantes del elemento de sonido y la matriz acústica, así como el rendimiento de la transmisión de reflexión y sonido de los materiales y componentes acústicos subacuáticos, estándares de prueba GB / T 7965-2002, GB / T16165-1996, GB / T7967-2002, GJB275 -1987, GB / T14369-2011, Q / 715 J 66-2011, etc. El rango de frecuencia de medición es de 20Hz a 500 kHz. La estación de prueba puede medir el rendimiento acústico subacuático de transductores grandes y matrices acústicas.