Piezo Hannas (WuHan) Tech Co, .Ltd. Proveedor profesional de elementos piezocerámicos
Productos
Usted está aquí: Hogar / Productos / Transductores ultrasónicos / Transducer for Gas Meter / Transductor piezoeléctrico ultrasónico de 200Khz para medición de flujo de gas

Categoría de productos

Realimentación

loading

Compartir con:
sharethis sharing button

Transductor piezoeléctrico ultrasónico de 200Khz para medición de flujo de gas

Transductor ultrasónico para medidor de flujo de gas
Estado de Disponibilidad:
Cantidad:
  • PHA-200-01W

  • Piezohannas

  • PHA-200-01W

       Transductor piezoeléctrico ultrasónico de 200kHz para medición del flujo de gases




Elementos

Parámetros técnicos

Imagen

     Nombre

Transductor de medidor de gas ultrasónico

1.png  

 

Modelo

PHA-200-01W

Frequisito

200kHz ± 6%

Distancia de detección

0.101,5 m

Lmpedance paralelo mínimo

 

2000Ω ± 20

Capacidad

470pf ± 20@1kHz

 

Sensibilidad

Voltaje de conducción800 VPP

Distancia0.3m

Amplitud de eco35mv

Operando  

Voltaje

Cima  Voltaje1000 VPP

Operando  

La temperatura

-40+80 ℃

Presión

3 kilos o0.3MPA

 

Ángulo

(Amplitud de rayo) Ancho de haz de media potencia

 

@-3db: 7 ° ± 2

Ángulo agudo: 17 ° ± 4

Material de la carcasa

Bajo la ambiente  de débil ácido y débil  basePom

     Uso

Medidor de gas ultrasónico

Instalación

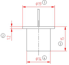
Dimensión

14 mm

Nivel de protección

IP68

Peso

8g ± 5% (Longitud25 cm

Alambrado

Instrucciones

Integrado: interfazRojo:transductor+,Amarillo:transductor-Negro: alambre blindado

         (la temperaturasensor  El cable es opcional

Curva de admisión

ProductoStructuraDIagram

 

 2.png

   3.png

 






 



 



 

Anterior: 
Siguiente: 

Productos calientes

Tecnología piezoeléctrica Co de Hannas (WuHan). El Ltd es fabricante de equipamiento ultrasónico profesional, dedicado a la tecnología ultrasónica y a las aplicaciones industriales.                                    
 

RECOMENDAR

CONTÁCTENOS

Agregar: No.456 Wu Luo Road, distrito de Wuchang, ciudad de Wuhan, provincia de HuBei, China.
Email:  sales@piezohannas.com
Teléfono: +86 27 81708689        
Teléfono: +86 15927286589          
QQ: 1553242848 
Skype: live:mary_14398
       
Copyright 2017 Piezo Hannas (WuHan) Tech Co, .Ltd. Todos los derechos reservados.
Productos