-
Dimensiones: 60x5mm
Frecuencia resonante FR: 420 kHz ± 2%
Coeficiente de acoplamiento electromecánico K33: ≥58%
Impedancia resonante ZM: ≤45 Ω
Capacitancia estática CS: 5100PF ± 14% @ 1kHz
Aplicación: transductor piezo para análisis de leche, transductor piezo para vibración, transductor para dispersión de materia,
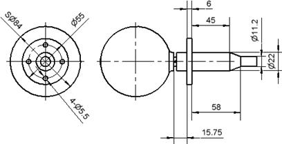
SONAR TRANSDUCER Sensor ultrasónico, sensor de vibración, sensor de espesor de pared, sensor de esfuerzo de material, sensor de presión,
Energía de cosecha eléctrica, sensor de compresión, sensor de expansión piezo y otros.
-
Podemos ofrecer el 5Mhz, 8Mhz, 10Mhz, aplicación del sensor del uno-ultrasonido 13Mhz: El sensor usado para medir el espesor de la grasa del animal doméstico o del ganado, y distancia de medición o medir espesor en oftalmología.
-
Podemos ofrecer 2Mhz, 4Mhz, sensor de 6Mhz TCD Doppler. La dimensión de una variable del shell se puede modificar para requisitos particulares basó en sus requisitos. Aplicación: Esta punta de prueba se utiliza para el flujómetro craniocervical de Doppler, es buena capacidad antiinterferente y la alta sensibilidad, que se ha integrado con el fabricante de equipamiento de muchos TCD.
-
Dimensión: Dimensión externa: dimensión inter de 18m m: altura de 15m m: características de 15m m del cristal piezoeléctrico: 1. 2. de baja impedancia. La forma de onda es 3. altos calor inferior de la pérdida dieléctrica 5. de la eficacia de conversión 4. electromecánicos estables a los pequeño 6. volúmenes grandes 7. del aerosol. La vida de más de 5000 horas 8. de corrosión del ácido
-
Dimensión (diameter×thickness): características de 16mmx0.4m m del cristal piezoeléctrico: 1. 2. de baja impedancia. La forma de onda es 3. altos calor inferior de la pérdida dieléctrica 5. de la eficacia de conversión 4. electromecánicos estables a los pequeño 6. volúmenes grandes 7. del aerosol. La vida de más de 5000 horas 8. de corrosión del ácido
-
Hemisphere piezo: Dimension: Diameter: 15mm OD of Hole: 4mm Wall thickness: 1mm Features of high temperature piezoceramic: 1. Low impedance 2. The waveform is stable 3. High electromechanical conversion efficiency 4. Low dielectric loss 5. Heat a small 6. Big spray volume 7. The life of more than 5000 hours 8. Acid corrosion
-
Dimensión: OD60mm xID30mm x Thi10mm para la soldadora ultrasónica, nuestra de los clientes pedido 60 x30 x10mm, 50 anillo piezoeléctrico a menudo de x20 x6.5mm, están en las existencias todas en nuestra fábrica. Entrarnos en contacto con por favor como pronto eventualmente requisitos.
-
Dimensión: OD50mm xID20mm x Thi6.5mm para la soldadora ultrasónica, nuestra de los clientes pedido 60 x30 x10mm, 50 anillo piezoeléctrico a menudo de x20 x6.5mm, están en las existencias todas en nuestra fábrica. Entrarnos en contacto con por favor como pronto eventualmente requisitos.
-
Dimensión (diameter×thickness): características de 10mmx2m m del cristal piezoeléctrico: 1. 2. de baja impedancia. La forma de onda es 3. altos calor inferior de la pérdida dieléctrica 5. de la eficacia de conversión 4. electromecánicos estables a los pequeño 6. volúmenes grandes 7. del aerosol. La vida de más de 5000 horas 8. de corrosión del ácido
-
Hemisferio piezoeléctrico: Dimensión: Diámetro: 50m m OD del orificio: espesor de pared de 8m m: características de 2m m de piezoceramic de alta temperatura: 1. 2. de baja impedancia. La forma de onda es 3. altos calor inferior de la pérdida dieléctrica 5. de la eficacia de conversión 4. electromecánicos estables a los pequeño 6. volúmenes grandes 7. del aerosol. La vida de más de 5000 horas 8. de corrosión del ácido
-
Sobre el transductor ultrasónico de la distancia, podemos ofrecer el transductor que puede detectar el 1M, 3M, los 4M, los 5M, los 8M, el 12M, los 20M, los 30M, los 50M, también nosotros podemos arreglo para requisitos particulares del accpet.
-
Sobre el transductor ultrasónico de la distancia, podemos ofrecer el transductor que puede detectar el 1M, 3M, los 4M, los 5M, los 8M, el 12M, los 20M, los 30M, los 50M, también nosotros podemos arreglo para requisitos particulares del accpet.
-
Talla: aplicación de 54.5x47x40m m: Dispositivo de comunicación subacuático, hidrófono, sonar.