| Estado de Disponibilidad: | |
|---|---|
| Cantidad: | |
PHA-200-01TL
Piezohannas
PHA-200-01TL
Transductor de flujo de gas ultrasónico PVDF personalizado para medidor de gas ultrasónico
Parámetros técnicos:
Elementos | Parámetros técnicos | Imagen | |
Nombre | 200 kHzTransductor ultrasónico |
| |
Modelo | PHA-200-01TL | ||
Frecuencia | 200khz ±5% | ||
Distancia de detección | 0.10~1.5m | ||
Mínimo paralelo lmpeedance | 350Ω ± 20% | ||
640PF ± 20%@ 1khz | |||
Sensibilidad | carga dsaltovoltaje:800VPP,Distancia:0.3m, Amplitud de eco: 30mv | ||
-40~+ 80 ℃ | |||
≤3kilos o 0.3MPA | |||
(Amplitud de rayo) Ancho de haz de media potencia @ -3db: 7 ° ±10%, Ángulo afilado :: 17 ° ±10% | |||
Material de la carcasa | PVDF | ||
uso | Medidor de gas ultrasónico | ||
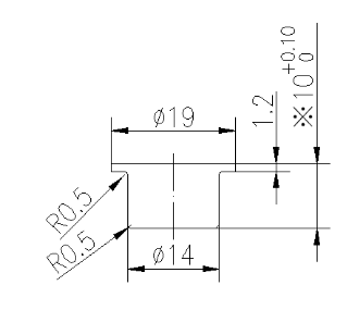
dimensión | Ver dibujos estructurales para más detalles. | ||
Nivel de protección | IP68 | ||
Peso | 8g ± 5% (Longitud de cable:25 cm) | ||
Instrucciones de cableado | Interfaz: Rojo: Transductor +, Blanco: Transductor -, Negro: Alambre blindado, (Sensor de temperatura es opcional) | ||
Curva de admitancia | Diagrama de la estructura del producto | ||
| |||
Diagrama de bloques de transductor de distancia ultrasónica:
Diagrama esquemático del sensor de temperatura. (Modelo: MF58_502F3470):
Instrucción de cable de tipo integrado:
1. Instrucción relacionada con el transductor: interfaz (3pin, terminal de 2.54 mm)
Rojo: Transductor +
Blanco: Transductor -
Negro: blindaje
2.Cable instrucción de sensor de temperatura: interfaz (3pin, terminal de 2.0 mm)
Rojo y negro son el cableado del sensor de temperatura.
Tipo de división: cable de 10 m estándar, con cada 50 m adicionales de cable, la atenuación de la señal es 6dB
Instrucciones de cableado de tres núcleos:
Rojo: Transductor +
Azul: Sensor de temperatura +
Negro: Public-
Instrucciones de cableado de cuatro núcleos:
Rojo: Transductor +
Amarillo: Transducidor-
Azul, negro: sensor de temperatura
Solicitud de flujo de gas ultrasónico:
Los medidores ultrasónicos se usan comúnmente para la transferencia de custodia y la medición del aceite fiscal y el gas. Miden la velocidad de un fluido en un tubo cerrado y utilizan transductores para emitir pulsos ultrasónicos (mayor de 20 kHz de frecuencia) desde donde el medidor de flujo puede calcular la velocidad promedio a lo largo de la ruta del haz de la ecografía. Los fundamentos de los medidores ultrasónicos los hacen adecuados para la medición de gas o líquido, tratándolos tanto como fluidos.
Departamento de producción :
Transductor de flujo de gas ultrasónico PVDF personalizado para medidor de gas ultrasónico
Parámetros técnicos:
Elementos | Parámetros técnicos | Imagen | |
Nombre | 200 kHzTransductor ultrasónico |
| |
Modelo | PHA-200-01TL | ||
Frecuencia | 200khz ±5% | ||
Distancia de detección | 0.10~1.5m | ||
Mínimo paralelo lmpeedance | 350Ω ± 20% | ||
640PF ± 20%@ 1khz | |||
Sensibilidad | carga dsaltovoltaje:800VPP,Distancia:0.3m, Amplitud de eco: 30mv | ||
-40~+ 80 ℃ | |||
≤3kilos o 0.3MPA | |||
(Amplitud de rayo) Ancho de haz de media potencia @ -3db: 7 ° ±10%, Ángulo afilado :: 17 ° ±10% | |||
Material de la carcasa | PVDF | ||
uso | Medidor de gas ultrasónico | ||
dimensión | Ver dibujos estructurales para más detalles. | ||
Nivel de protección | IP68 | ||
Peso | 8g ± 5% (Longitud de cable:25 cm) | ||
Instrucciones de cableado | Interfaz: Rojo: Transductor +, Blanco: Transductor -, Negro: Alambre blindado, (Sensor de temperatura es opcional) | ||
Curva de admitancia | Diagrama de la estructura del producto | ||
| |||
Diagrama de bloques de transductor de distancia ultrasónica:
Diagrama esquemático del sensor de temperatura. (Modelo: MF58_502F3470):
Instrucción de cable de tipo integrado:
1. Instrucción relacionada con el transductor: interfaz (3pin, terminal de 2.54 mm)
Rojo: Transductor +
Blanco: Transductor -
Negro: blindaje
2.Cable instrucción de sensor de temperatura: interfaz (3pin, terminal de 2.0 mm)
Rojo y negro son el cableado del sensor de temperatura.
Tipo de división: cable de 10 m estándar, con cada 50 m adicionales de cable, la atenuación de la señal es 6dB
Instrucciones de cableado de tres núcleos:
Rojo: Transductor +
Azul: Sensor de temperatura +
Negro: Public-
Instrucciones de cableado de cuatro núcleos:
Rojo: Transductor +
Amarillo: Transducidor-
Azul, negro: sensor de temperatura
Solicitud de flujo de gas ultrasónico:
Los medidores ultrasónicos se usan comúnmente para la transferencia de custodia y la medición del aceite fiscal y el gas. Miden la velocidad de un fluido en un tubo cerrado y utilizan transductores para emitir pulsos ultrasónicos (mayor de 20 kHz de frecuencia) desde donde el medidor de flujo puede calcular la velocidad promedio a lo largo de la ruta del haz de la ecografía. Los fundamentos de los medidores ultrasónicos los hacen adecuados para la medición de gas o líquido, tratándolos tanto como fluidos.
Departamento de producción :