Piezo Hannas (WuHan) Tech Co, .Ltd. Proveedor profesional de elementos piezocerámicos
Productos
Usted está aquí: Hogar / Productos / Transductores ultrasónicos / Transductor para detección / Transductor de detector de doble hoja de doble lámina de transductor ultrasónico para verificación de papel

Categoría de productos

Realimentación

loading

Compartir con:
sharethis sharing button

Transductor de detector de doble hoja de doble lámina de transductor ultrasónico para verificación de papel

200khz | 8 ° | 0.10 ~ 1.5m | Se utiliza para un sensor de detección de lado único y doble, sensor de distancia, sensor de conteo en la industria de impresión y papel, medidor de nivel ultrasónico, interruptor de proximidad ultrasónica, sensor ultrasónico

Las aplicaciones en la industria de papel varían desde la producción de materia prima hasta el acabado. Nuestros sensores de medición de distancia ultrasónica detectan rollos de papel, monitoree diámetros de stock web y asegúrese de que la tensión web consistente. Los sensores contrarasonic detectan empalmes de manera confiable y, por lo tanto, reducen los residuos materiales. Llevamos soluciones individuales completas. Nuestros expertos lo ayudan a seleccionar la tecnología del sensor correcto para su aplicación específica.
Estado de Disponibilidad:
Cantidad:
  • PHA-200-01O

  • Piezohannas

  • PHA-200-01O

Detector de hojas de doble sensor ultrasónico 200KHZ para verificación de papel



Elementos

Parámetros técnicos

Imagen

Nombre

200 kHz Transductor ultrasónico(cheques de hoja)

[K4YU $ 491L $} (I $ 9ZCJ (NF7

Modelo

PHA-200-01O

Frecuencia

200khz ±5%

Distancia de detección

0.101.5m

Mínimo

Paralelo Lmpeedance

900Ω ± 20

Capacidad

330pf ± 20@ 1khz

Sensibilidad

Voltaje de conducción800vppDistancia:0.3m

Amplitud de eco:25mv

Operando

Voltaje

Cima Voltaje<1000 VPP

Operando

Temperatura

-40+ 80 ℃

Presión

≤3kilos o 0.3MPA

Ángulo

(Amplitud de rayo)Ancho de haz de media potencia @ -3db: 6 ° ± 2,

Ángulo afilado: 14 ° ± 4

Alojamiento Material

Pom

Uso

Nivel ultrasónicoindicador, Interruptor de proximidad ultrasónico, sensor ultrasónico

Instalación

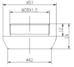
Dimensión

hiloM38 * 1.5

Nivel de protección

IP68

Peso

40 g ± 5% (Largo20 centímetros

Instrucciones de cableado

IInterfaz ntegradaRojo +Blanco-Negro: alambre blindado

Predeterminado: sin sensor de temperatura

Curva de admitancia

Diagrama de la estructura del producto

1 (BJZ {28Y80O5`O] C2X% MCR

T% y (_ (g '} 1} 3 $ `HQ] T $ A $ C7


Industria de la impresión:


La industria de la impresión se ve afectada por crecientes demandas sobre la flexibilidad, la calidad y la velocidad. Varios trabajos de impresión de pequeñas y grandes ediciones requieren una alta flexibilidad y un cambio rápido de la máquina. Al mismo tiempo, las demandas de calidad están aumentando.

En los procesos de prensa y pospresión, las máquinas deben operar con precisión para minimizar los residuos de material y el tiempo de inactividad de la máquina:

Los sensores ultrasónicos detectan hojas y empalmes dobles independientemente del material o el color.












Anterior: 
Siguiente: 

Productos calientes

Tecnología piezoeléctrica Co de Hannas (WuHan). El Ltd es fabricante de equipamiento ultrasónico profesional, dedicado a la tecnología ultrasónica y a las aplicaciones industriales.                                    
 

RECOMENDAR

CONTÁCTENOS

Agregar: No.456 Wu Luo Road, distrito de Wuchang, ciudad de Wuhan, provincia de HuBei, China.
Email:  sales@piezohannas.com
Teléfono: +86 27 81708689        
Teléfono: +86 15927286589          
QQ: 1553242848 
Skype: live:mary_14398
       
Copyright 2017 Piezo Hannas (WuHan) Tech Co, .Ltd. Todos los derechos reservados.
Productos