| Estado de Disponibilidad: | |
|---|---|
| Cantidad: | |
PHW-1M-01T
Piezohannas
PHW-1M-01T
Transductor ultrasónico piezoeléctrico de 1MHz para caudalímetro ultrasónico Doppler
Parámetros técnicos:
Elementos | Parámetros técnicos | Imagen | |
Nombre | ADCPTransductor ultrasónico |
| |
Modelo | PHW-1m-01t | ||
Frecuencia | 1megahercio±5% | ||
Distancia de detección | 0.05~3m | ||
Mínimo Paralelo Lmpeedance | 15Ω ± 20% | ||
4000PF ± 20%@ 1khz | |||
Sensibilidad | Voltaje de conducción:24v,Distancia:0.3m,Amplitud de eco:2.5V | ||
-40~+ 80 ℃ | |||
≤10Kilos o 1MPA | |||
| (Amplitud de rayo) Ancho de haz de media potencia@ -3db: 2.4° ± 0.5, Ángulo agudo: 5.8° ± 1 | ||
Alojamiento Material | material compuesto | ||
Uso | DopplerEfectomedidor de flujo ultrasónico,ADCP | ||
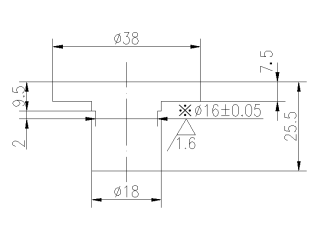
Ver el dibujo de la estructura del producto. | |||
Nivel de protección | IP68 | ||
Peso | 100g ± 5% (Lengreído:2m) | ||
Instrucciones de cableado | Blanco-,Negro-alambre blindado; (sensor de temperaturaes opcional) | ||
Curva de admitancia | Diagrama de la estructura del producto | ||
| |||
Diagrama de bloques del transductor ultrasónico:
Diagrama esquemático del sensor de temperatura:
Instrucción de cable de tipo dividido:
El cable estándar es de 10 m, la señal atenuará 6dB por cada 50 m de alambre.
1. Tres instrucciones de cableado del núcleo:
Rojo: Transductor +
Azul: Sensor de temperatura +
Negro: público -
Aplicación de medidor de flujo ultrasónico:
El medidor de flujo ultrasónico del efecto Doppler utiliza un sonido ultrasónico reflejado para medir la velocidad del fluido. Al medir el cambio de frecuencia entre la fuente de frecuencia ultrasónica, el receptor y el portador de fluidos, se miden el movimiento relativo. El cambio de frecuencia resultante se nombra el efecto Doppler.
Transductor ultrasónico piezoeléctrico de 1MHz para caudalímetro ultrasónico Doppler
Parámetros técnicos:
Elementos | Parámetros técnicos | Imagen | |
Nombre | ADCPTransductor ultrasónico |
| |
Modelo | PHW-1m-01t | ||
Frecuencia | 1megahercio±5% | ||
Distancia de detección | 0.05~3m | ||
Mínimo Paralelo Lmpeedance | 15Ω ± 20% | ||
4000PF ± 20%@ 1khz | |||
Sensibilidad | Voltaje de conducción:24v,Distancia:0.3m,Amplitud de eco:2.5V | ||
-40~+ 80 ℃ | |||
≤10Kilos o 1MPA | |||
| (Amplitud de rayo) Ancho de haz de media potencia@ -3db: 2.4° ± 0.5, Ángulo agudo: 5.8° ± 1 | ||
Alojamiento Material | material compuesto | ||
Uso | DopplerEfectomedidor de flujo ultrasónico,ADCP | ||
Ver el dibujo de la estructura del producto. | |||
Nivel de protección | IP68 | ||
Peso | 100g ± 5% (Lengreído:2m) | ||
Instrucciones de cableado | Blanco-,Negro-alambre blindado; (sensor de temperaturaes opcional) | ||
Curva de admitancia | Diagrama de la estructura del producto | ||
| |||
Diagrama de bloques del transductor ultrasónico:
Diagrama esquemático del sensor de temperatura:
Instrucción de cable de tipo dividido:
El cable estándar es de 10 m, la señal atenuará 6dB por cada 50 m de alambre.
1. Tres instrucciones de cableado del núcleo:
Rojo: Transductor +
Azul: Sensor de temperatura +
Negro: público -
Aplicación de medidor de flujo ultrasónico:
El medidor de flujo ultrasónico del efecto Doppler utiliza un sonido ultrasónico reflejado para medir la velocidad del fluido. Al medir el cambio de frecuencia entre la fuente de frecuencia ultrasónica, el receptor y el portador de fluidos, se miden el movimiento relativo. El cambio de frecuencia resultante se nombra el efecto Doppler.