| Estado de Disponibilidad: | |
|---|---|
| Cantidad: | |
Pl-1m-03bb
Piezohannas
PL-1M-03BB
Esta especificación incluye el tamaño del sensor ultrasónico PL-1M-03BB, las características, los parámetros de rendimiento y las precauciones, antes de usar este producto, lea esta especificación. PL-1M-03BB tiene las funciones del transmisor y el receptor. Generalmente se puede usar para el sensor de flujo ultrasónico, el calorímetro ultrasónico, el sensor de distancia ultrasónico en líquido, etc. Si tiene alguna pregunta para otras aplicaciones, contáctenos para obtener más información.
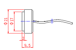
Elementos | Parámetros técnicos | Imagen | |
Nombre | Transductor ultrasónico de 1MHz para medidor de flujo |
| |
Modelo | Pl-1m-03bb | ||
Banda ancha | ± 0.2mhz | ||
Frecuencia | 1.0mhz ± 5% | ||
Distancia de detección | 0.10-5m | ||
Zona ciega | <0.10m | ||
Impedancia mínima paralela | 130Ω ± 30% | ||
1200pf ± 20% | |||
sensibilidad general 0 db = 3 vp-p; Ciclo: 8; Distancia: 8cm (transmisor y receptor) | -30db min | ||
Voltaje de operación máxima (Índice de ciclo de trabajo del pulso 2%) | <300v | ||
0~95 ℃ | |||
Presión máxima | 2MPA | ||
Ángulo de haz(-3dbull angulo) | 5 ° | ||
Material de la carcasa | Pps | ||
Uso | Medidor de flujo ultrasónico | ||
Curva de admitancia | PbarroStructríaDiAgram | ||
Resistencia a la frecuencia Ángulo de fase de frecuencia |
| ||
Sensibilidadprueba:
voltaje: 3VP-P; Ciclo: 8; distancia:8cm
Esta especificación incluye el tamaño del sensor ultrasónico PL-1M-03BB, las características, los parámetros de rendimiento y las precauciones, antes de usar este producto, lea esta especificación. PL-1M-03BB tiene las funciones del transmisor y el receptor. Generalmente se puede usar para el sensor de flujo ultrasónico, el calorímetro ultrasónico, el sensor de distancia ultrasónico en líquido, etc. Si tiene alguna pregunta para otras aplicaciones, contáctenos para obtener más información.
Elementos | Parámetros técnicos | Imagen | |
Nombre | Transductor ultrasónico de 1MHz para medidor de flujo |
| |
Modelo | Pl-1m-03bb | ||
Banda ancha | ± 0.2mhz | ||
Frecuencia | 1.0mhz ± 5% | ||
Distancia de detección | 0.10-5m | ||
Zona ciega | <0.10m | ||
Impedancia mínima paralela | 130Ω ± 30% | ||
1200pf ± 20% | |||
sensibilidad general 0 db = 3 vp-p; Ciclo: 8; Distancia: 8cm (transmisor y receptor) | -30db min | ||
Voltaje de operación máxima (Índice de ciclo de trabajo del pulso 2%) | <300v | ||
0~95 ℃ | |||
Presión máxima | 2MPA | ||
Ángulo de haz(-3dbull angulo) | 5 ° | ||
Material de la carcasa | Pps | ||
Uso | Medidor de flujo ultrasónico | ||
Curva de admitancia | PbarroStructríaDiAgram | ||
Resistencia a la frecuencia Ángulo de fase de frecuencia |
| ||
Sensibilidadprueba:
voltaje: 3VP-P; Ciclo: 8; distancia:8cm