| Estado de Disponibilidad: | |
|---|---|
| Cantidad: | |
Hs / h5k-20k
Piezohannas
HS/H5K-20K
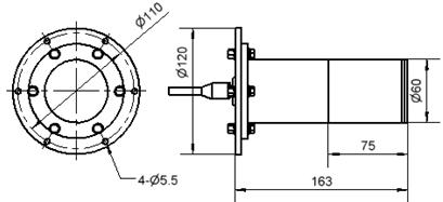
Transductor acústico subacuático de 5kHz para la calibración acústica.
Parámetros técnicos:
Modelo | Hs / h5k-20k |
|
Banda de trabajo | 5khz ~ 20khz | |
Recepción de sensibilidad | ≥--204db | |
Capa estáticaciudadez | Cada canal≥12000pf | |
Terriblecuetividad | Tiene las características de la Directiva Dipolo. Resolución kd≥18db; Máxima sensibilidad dipolo asimetría kmax≤3db; Desviación de ortogonalidad ≤10 °. | |
Profundidad de trabajo | 300m | |
Cable specificación | Φ7mm10 Cable blindado de núcleo (opcional) | |
| ||
Solicitud:
Investigación de acústica subacuática
Sistema de comunicación submarina.
Calibración de campo acústico
Aplicaciones militares y científicas.
Prueba de medición acústica subacuática:
La medición acústica subacuática contiene 5 conjuntos de dispositivos de prueba, incluido el sistema de medición acústica automática, dispositivo de calibración de baja frecuencia de hidrófono, sistema de medición de sensibilidad de la aceleración de hidrófono, dispositivo de medición de tubo de pulso de material hidroacústico y sistema de prueba de la estación de prueba, que están equipados para medir varios transductores. . Los parámetros relevantes del elemento de sonido y la matriz acústica, así como el rendimiento de la transmisión de reflexión y sonido de los materiales y componentes acústicos subacuáticos, estándares de prueba GB / T 7965-2002, GB / T16165-1996, GB / T7967-2002, GJB275 -1987, GB / T14369-2011, Q / 715 J 66-2011, etc. El rango de frecuencia de medición es de 20Hz a 500 kHz. La estación de prueba puede medir el rendimiento acústico subacuático de transductores grandes y matrices acústicas.
Transductor acústico subacuático de 5kHz para la calibración acústica.
Parámetros técnicos:
Modelo | Hs / h5k-20k |
|
Banda de trabajo | 5khz ~ 20khz | |
Recepción de sensibilidad | ≥--204db | |
Capa estáticaciudadez | Cada canal≥12000pf | |
Terriblecuetividad | Tiene las características de la Directiva Dipolo. Resolución kd≥18db; Máxima sensibilidad dipolo asimetría kmax≤3db; Desviación de ortogonalidad ≤10 °. | |
Profundidad de trabajo | 300m | |
Cable specificación | Φ7mm10 Cable blindado de núcleo (opcional) | |
| ||
Solicitud:
Investigación de acústica subacuática
Sistema de comunicación submarina.
Calibración de campo acústico
Aplicaciones militares y científicas.
Prueba de medición acústica subacuática:
La medición acústica subacuática contiene 5 conjuntos de dispositivos de prueba, incluido el sistema de medición acústica automática, dispositivo de calibración de baja frecuencia de hidrófono, sistema de medición de sensibilidad de la aceleración de hidrófono, dispositivo de medición de tubo de pulso de material hidroacústico y sistema de prueba de la estación de prueba, que están equipados para medir varios transductores. . Los parámetros relevantes del elemento de sonido y la matriz acústica, así como el rendimiento de la transmisión de reflexión y sonido de los materiales y componentes acústicos subacuáticos, estándares de prueba GB / T 7965-2002, GB / T16165-1996, GB / T7967-2002, GJB275 -1987, GB / T14369-2011, Q / 715 J 66-2011, etc. El rango de frecuencia de medición es de 20Hz a 500 kHz. La estación de prueba puede medir el rendimiento acústico subacuático de transductores grandes y matrices acústicas.