Piezo Hannas (WuHan) Tech Co, .Ltd. Proveedor profesional de elementos piezocerámicos
Productos
Usted está aquí: Hogar / Productos / Transductores ultrasónicos / Transducer for Flowmeter / Stock de transductor ultrasónico de 2 MHz para medidor de agua

Categoría de productos

Realimentación

loading

Compartir con:
sharethis sharing button

Stock de transductor ultrasónico de 2 MHz para medidor de agua

Los transductores ultrasónicos de 2MHz están especializados para el medidor de agua
Estado de Disponibilidad:
Cantidad:
  • PH2110B

  • Piezohannas

  • PH2110B

         Stock de 2MHz transductor ultrasónico para medidor de agua


Parámetros técnicos:

 


Modelo

PH2110B

Frecuencia de trabajo centralkhz

2.00MHz ± 4%

Banda ancha-6db

10%

Integrado sensibilidad

0 dB = 3 VP-P ; Ciclo: 5 ; Distancia: 8 cm

> 0.2V

Medición Distancia:

1.0m

Zona ciega

3 cm

Ángulo de haz-3dbángulo completo

3 °

capacidad electrostática

2300pf ± 20%

Impedancia paralela mínima

100Ω ± 30%

Voltaje de operación de máxima

onda impulsiva (pulso Relación de ciclo de trabajo 2%)

< 200V

Temperatura de funcionamiento

4 ~ 50 ℃

El material de la carcasa

PPS

clase de protección

IP68

Las pruebas anteriores se realizaron en 25 °ambiente.


Imagen:


Sensor de transductor de medidor de flujo ultrasónico de tamaño pequeño de 1 mHz

 

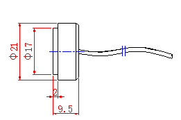
Dimensión de esquema:


1606702666 (1)


 

Admisión - Curva de fase


1606702671 (1)






Prueba de sensibilidad

Voltaje de transmisión: 3VP-P;

Período: 5; Distancia: 8 cm

1606702675 (1)


 


 

Aplicación del medidor de agua:


La medición de agua es la práctica de medir el uso del agua. Los medidores de agua miden el volumen de agua utilizado por unidades de construcción residenciales y comerciales que son suministradas con agua por un sistema público de suministro de agua. También se utilizan para determinar el flujo a través de una parte particular del sistema.




Anterior: 
Siguiente: 

Productos calientes

Tecnología piezoeléctrica Co de Hannas (WuHan). El Ltd es fabricante de equipamiento ultrasónico profesional, dedicado a la tecnología ultrasónica y a las aplicaciones industriales.                                    
 

RECOMENDAR

CONTÁCTENOS

Agregar: No.456 Wu Luo Road, distrito de Wuchang, ciudad de Wuhan, provincia de HuBei, China.
Email:  sales@piezohannas.com
Teléfono: +86 27 81708689        
Teléfono: +86 15927286589          
QQ: 1553242848 
Skype: live:mary_14398
       
Copyright 2017 Piezo Hannas (WuHan) Tech Co, .Ltd. Todos los derechos reservados.
Productos