| Estado de Disponibilidad: | |
|---|---|
| Cantidad: | |
PH30f0620
Piezohannas
PH30F0620
Sensor ultrasónico de 30 kHz para medir 20 m de distancia
Introducción:
El sensor ultrasónico PH30F0620 tiene las funciones del transmisor y el receptor. Es un tipo de largo alcance, generalmente se puede usar para el buscador de rango ultrasónico, sensor ultrasónico para objetos detectados sin contacto, sensor de distancia ultrasónico, sensor de nivel de líquido ultrasónico, etc. Si tiene alguna pregunta para otras aplicaciones, contáctenos para obtener más información.
Parámetros técnicos:
Modelo | PH30f0620 |
Frecuencia resonante central(khz) | 30Khz ± 2.0khz |
Banda ancha | 3.0khz |
Distancia de detección | 0.6~20m |
Puntos ciegos | <0.6m |
Lanzamiento de la viga de ángulo (-6db ángulo completo) | 14 ± 2 ° |
Sensible | -65db min |
Capacitancia electrostática | 7000pf ± 20% |
Impedancia mínima paralela | 200Ω ± 30% |
Voltaje de trabajo máximo (pulso - 2% de ciclo de trabajo) | 1800vp-p |
Temperatura de funcionamiento | -20 ~ 70℃ |
Temperatura de almacenamiento | -40 ~ 85℃ |
Nivel de protección | IP65 |
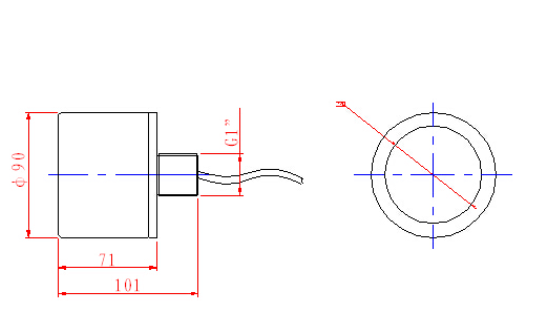
Tamaño (diámetro * altura, mm) | Φ90x103 |
Instalación | Fijo con tornillo |
Material de la Caja | CLORURO DE POLIVINILO |
Longitud del cable | 3 m (se puede personalizar) |
Peso | 1.5kg |
Foto:
Dimensión del esquema:
Curva de resistencia a la frecuencia.:
Frecuencia-Curva de ángulo de fase:
Prueba de sensibilidad:
Transmisión de voltaje:400vp-p; período:50; Distancia: 1.5M
Dcurva de irectividad:
Características de los sensores ultrasónicos:
1. Tamaño y peso ligero.
2. Alta sensibilidad y alta presión de sonido.
3.ó el consumo de energía
4. alta confiabilidad
Característica:
Sello de semblanza 1.FIRM (cubierta exterior de PVC)
2.Conveniencia Hilo Pasta (G1 \")
Solicitud:
1. Ubicación de la posición
2.Aptarptar la medición
3. Medición de atafic.
Declaraciones de 4.voiding
Sensor ultrasónico de 30 kHz para medir 20 m de distancia
Introducción:
El sensor ultrasónico PH30F0620 tiene las funciones del transmisor y el receptor. Es un tipo de largo alcance, generalmente se puede usar para el buscador de rango ultrasónico, sensor ultrasónico para objetos detectados sin contacto, sensor de distancia ultrasónico, sensor de nivel de líquido ultrasónico, etc. Si tiene alguna pregunta para otras aplicaciones, contáctenos para obtener más información.
Parámetros técnicos:
Modelo | PH30f0620 |
Frecuencia resonante central(khz) | 30Khz ± 2.0khz |
Banda ancha | 3.0khz |
Distancia de detección | 0.6~20m |
Puntos ciegos | <0.6m |
Lanzamiento de la viga de ángulo (-6db ángulo completo) | 14 ± 2 ° |
Sensible | -65db min |
Capacitancia electrostática | 7000pf ± 20% |
Impedancia mínima paralela | 200Ω ± 30% |
Voltaje de trabajo máximo (pulso - 2% de ciclo de trabajo) | 1800vp-p |
Temperatura de funcionamiento | -20 ~ 70℃ |
Temperatura de almacenamiento | -40 ~ 85℃ |
Nivel de protección | IP65 |
Tamaño (diámetro * altura, mm) | Φ90x103 |
Instalación | Fijo con tornillo |
Material de la Caja | CLORURO DE POLIVINILO |
Longitud del cable | 3 m (se puede personalizar) |
Peso | 1.5kg |
Foto:
Dimensión del esquema:
Curva de resistencia a la frecuencia.:
Frecuencia-Curva de ángulo de fase:
Prueba de sensibilidad:
Transmisión de voltaje:400vp-p; período:50; Distancia: 1.5M
Dcurva de irectividad:
Características de los sensores ultrasónicos:
1. Tamaño y peso ligero.
2. Alta sensibilidad y alta presión de sonido.
3.ó el consumo de energía
4. alta confiabilidad
Característica:
Sello de semblanza 1.FIRM (cubierta exterior de PVC)
2.Conveniencia Hilo Pasta (G1 \")
Solicitud:
1. Ubicación de la posición
2.Aptarptar la medición
3. Medición de atafic.
Declaraciones de 4.voiding