Piezo Hannas (WuHan) Tech Co, .Ltd. Proveedor profesional de elementos piezocerámicos
Productos
Usted está aquí: Hogar / Productos / Transductores ultrasónicos / Transductor para detección / Sensor de nivel ultrasónico 500KHz para combustible del tanque de aceite

Categoría de productos

Realimentación

loading

Compartir con:
sharethis sharing button

Sensor de nivel ultrasónico 500KHz para combustible del tanque de aceite

Sensor ultrasónico de 500 kz para el nivel de aceite del tanque de coche.
Estado de Disponibilidad:
Cantidad:
  • PH500MQB

  • Piezohannas

  • PH500MQB

Sensor de nivel de combustible ultrasónico 500KHZ para el tanque de aceite


Parámetros técnicos:


Modelo

Ph500mqb

Frecuencia resonante central (kHz)

500khz ± 2%

ancho de banda de frecuencia(-6db)

10%

Sensibilidad integrada (0 dB = 18 VP-P; Período: 20, Distancia: 30 cm

-36db min

distancia de detección

6m

DEADona D

3cm

Voltaje de trabajo máximo (pulso - 2% de ciclo de trabajo)

800v

Lanzamiento de la viga de ángulo (-3DB Lleno Angulo)

5 °

Capacitancia electrostática

1100pf ± 20%

Impedancia mínima paralela

160Ω ± 30%

Temperatura de funcionamiento

-2070 ℃

Nivel de protección

IP68

Material de la carcasa

aleación de aluminio


Imagen:



Sensor de nivel de combustible ultrasónico 500KHZ


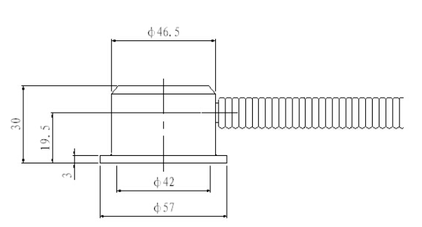
Dimensión del esquema:

RHY`3 (OFGZ6M71IMBI_NX1F

Resistencia a la frecuencia Curva

] 0gkwt8 {1 [DVW] FAW4ZK (R

Frecuencia-Curva de ángulo de fase

8Q] E7WK6Q7MWFXHA38Y) F3H

Sensibilidad integrada:

Enviando voltaje:10Vp-pperíodo20,distancia10cm

4 (6 $ (2Fiv03th ($ fy3r} u_b











Anterior: 
Siguiente: 

Productos calientes

Tecnología piezoeléctrica Co de Hannas (WuHan). El Ltd es fabricante de equipamiento ultrasónico profesional, dedicado a la tecnología ultrasónica y a las aplicaciones industriales.                                    
 

RECOMENDAR

CONTÁCTENOS

Agregar: No.456 Wu Luo Road, distrito de Wuchang, ciudad de Wuhan, provincia de HuBei, China.
Email:  sales@piezohannas.com
Teléfono: +86 27 81708689        
Teléfono: +86 15927286589          
QQ: 1553242848 
Skype: live:mary_14398
       
Copyright 2017 Piezo Hannas (WuHan) Tech Co, .Ltd. Todos los derechos reservados.
Productos