Piezo Hannas (WuHan) Tech Co, .Ltd. Proveedor profesional de elementos piezocerámicos
Productos
Usted está aquí: Hogar / Productos / Transductores ultrasónicos / Transducer for Gas Meter / Personalizable ultrasónico RangeTransducer de gas medidor de flujo ultrasónico

Categoría de productos

Realimentación

loading

Compartir con:
sharethis sharing button

Personalizable ultrasónico RangeTransducer de gas medidor de flujo ultrasónico

Transductor ultrasónico para medidor de flujo de gas ultrasónico
Estado de Disponibilidad:
Cantidad:
  • Phal-200-01D

  • Piezohannas

  • PHAL-200-01D

RangeTransductor ultrasónico personalizable para el medidor de flujo de gas ultrasónico




Elementos

Parámetros técnicos

Imagen

Nombre

200 kHzTransductor ultrasónico

) K86% 8 [lk_ifg) @ 3by (1) d

Modelo

PHAL-200-01D

Diámetro de zona activa

10 mm

Frecuencia

200Khz ±5%

Distancia de detección

0.101.5m

Mínimo

Paralelo Lmpeedance

1200Ω ± 20

Capacidad

380PF ± 20@ 1khz

Sensibilidad

Voltaje emisor: 800VPP,Distancia: 30cm,Recibiendo y emitiendo

Señal de recepción: 20mechón

Operando

Voltaje

Cima Voltaje1000vpp

Operando

Temperatura

-40+ 80 ℃

Ángulo

16Kilos o1.6MPA

Presión

(Amplitud de rayo) Ancho de haz de media potencia@ -3db: 10° ± 2

Ángulo agudo:23 ° ± 4

Alojamiento Material

Se puede utilizar en un ambiente fuerte y álcali.TI

Uso

Medidor de flujo de gas ultrasónico

Instalación

Dimensión

personalizable

Nivel de protección

IP68

Peso

14g ± 5

Instrucciones de cableado

integratTipo de edRojo +Blanco-Negro: Alambre blindado

Curva de admitancia

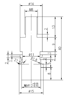
Diagrama de la estructura del producto

Mt` {Y7EAPL570UKWA6LJI6S

2c $ l} 7b754`wlpvb} r {UN9




Anterior: 
Siguiente: 

Productos calientes

Tecnología piezoeléctrica Co de Hannas (WuHan). El Ltd es fabricante de equipamiento ultrasónico profesional, dedicado a la tecnología ultrasónica y a las aplicaciones industriales.                                    
 

RECOMENDAR

CONTÁCTENOS

Agregar: No.456 Wu Luo Road, distrito de Wuchang, ciudad de Wuhan, provincia de HuBei, China.
Email:  sales@piezohannas.com
Teléfono: +86 27 81708689        
Teléfono: +86 15927286589          
QQ: 1553242848 
Skype: live:mary_14398
       
Copyright 2017 Piezo Hannas (WuHan) Tech Co, .Ltd. Todos los derechos reservados.
Productos