| Estado de Disponibilidad: | |
|---|---|
| Cantidad: | |
PHA-70-03B
Piezohannas
PHA-70-03B
Medición de la distancia del transductor ultrasónico de 70kHz para el sensor de nivel
Parámetros técnicos:
Elementos | Parámetros técnicos | Imagen | |
Nombre | Transductor ultrasónico de 70kHz |
| |
Modelo | PHA-70-03B | ||
Frecuencia | 70khz ±5% | ||
Distancia de detección | 0.2~4m | ||
Mínimo paralelo lmpeedance | 500Ω ± 20% | ||
900PF ± 20%@ 1khz | |||
Sensibilidad | No hay carga dsaltovoltage: 500VPP,Distancia:0.6m、Amplitud de eco:50mechón | ||
-40~+ 80 ℃ | |||
≤3Kilos o0.3MPA | |||
(Amplitud de rayo) Ancho de haz de media potencia@ -3db:10° ±10%, Ángulo agudo:23° ±10% | |||
Material de la carcasa | Pom | ||
uso | Medidor de nivel ultrasónico, Monitoreo, Anticollision, Seguridad | ||
Nivel de protección | IP68 | ||
Peso | 50g ± 5% (Longitud de cable:20cm) | ||
Instrucciones de cableado | Interfaz: Rojo: Transductor +, Blanco: Transductor -, Negro: Alambre blindado, (Sensor de temperaturaes opcional) | ||
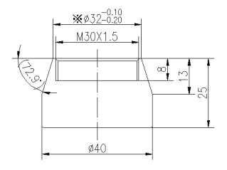
Curva de admitancia | Diagrama de la estructura del producto | ||
| |||
Diagrama de bloques de transductor de distancia ultrasónica:
Diagrama esquemático del sensor de temperatura. (Modelo: MF58_502F3470):
Instrucción de cable de tipo integrado:
1. Instrucción relacionada con el transductor: interfaz (3pin, terminal de 2.54 mm)
Rojo: Transductor +
Blanco: Transductor -
Negro: blindaje
2.Cable instrucción de sensor de temperatura: interfaz (3pin, terminal de 2.0 mm)
Rojo y negro son el cableado del sensor de temperatura.
Tipo de división: cable de 10 m estándar, con cada 50 m adicionales de cable, la atenuación de la señal es 6dB
Instrucciones de cableado de tres núcleos:
Rojo: Transductor +
Azul: Sensor de temperatura +
Negro: Public-
Instrucciones de cableado de cuatro núcleos:
Rojo: Transductor +
Amarillo: Transducidor-
Azul, negro: sensor de temperatura
¿Qué entra en la realización de un transductor?
El componente principal de un transductor de profundidad es el elemento piezocerámico. Es la parte que convierte los pulsos eléctricos en ondas de sonido, y cuando vuelven los ecos, el elemento piezocerámico convierte las ondas de sonido de nuevo en energía eléctrica. Los elementos piezocerámicos son los más a menudo en forma de disco, pero también pueden estar en forma de una barra o un anillo. Un transductor puede contener un elemento o una serie de elementos relacionados con una matriz. Un transductor está formado por seis componentes separados:
En la medición de nivel ultrasónico sin contacto, el sensor emite pulsos ultrasónicos en la dirección del medio, que luego los refleja hacia atrás. El tiempo transcurrido de la emisión a la recepción de las señales es proporcional al nivel en el tanque. Los sensores ultrasónicos son ideales para aplicaciones estándar simples, tanto para líquidos como para sólidos.
Medición de la distancia del transductor ultrasónico de 70kHz para el sensor de nivel
Parámetros técnicos:
Elementos | Parámetros técnicos | Imagen | |
Nombre | Transductor ultrasónico de 70kHz |
| |
Modelo | PHA-70-03B | ||
Frecuencia | 70khz ±5% | ||
Distancia de detección | 0.2~4m | ||
Mínimo paralelo lmpeedance | 500Ω ± 20% | ||
900PF ± 20%@ 1khz | |||
Sensibilidad | No hay carga dsaltovoltage: 500VPP,Distancia:0.6m、Amplitud de eco:50mechón | ||
-40~+ 80 ℃ | |||
≤3Kilos o0.3MPA | |||
(Amplitud de rayo) Ancho de haz de media potencia@ -3db:10° ±10%, Ángulo agudo:23° ±10% | |||
Material de la carcasa | Pom | ||
uso | Medidor de nivel ultrasónico, Monitoreo, Anticollision, Seguridad | ||
Nivel de protección | IP68 | ||
Peso | 50g ± 5% (Longitud de cable:20cm) | ||
Instrucciones de cableado | Interfaz: Rojo: Transductor +, Blanco: Transductor -, Negro: Alambre blindado, (Sensor de temperaturaes opcional) | ||
Curva de admitancia | Diagrama de la estructura del producto | ||
| |||
Diagrama de bloques de transductor de distancia ultrasónica:
Diagrama esquemático del sensor de temperatura. (Modelo: MF58_502F3470):
Instrucción de cable de tipo integrado:
1. Instrucción relacionada con el transductor: interfaz (3pin, terminal de 2.54 mm)
Rojo: Transductor +
Blanco: Transductor -
Negro: blindaje
2.Cable instrucción de sensor de temperatura: interfaz (3pin, terminal de 2.0 mm)
Rojo y negro son el cableado del sensor de temperatura.
Tipo de división: cable de 10 m estándar, con cada 50 m adicionales de cable, la atenuación de la señal es 6dB
Instrucciones de cableado de tres núcleos:
Rojo: Transductor +
Azul: Sensor de temperatura +
Negro: Public-
Instrucciones de cableado de cuatro núcleos:
Rojo: Transductor +
Amarillo: Transducidor-
Azul, negro: sensor de temperatura
¿Qué entra en la realización de un transductor?
El componente principal de un transductor de profundidad es el elemento piezocerámico. Es la parte que convierte los pulsos eléctricos en ondas de sonido, y cuando vuelven los ecos, el elemento piezocerámico convierte las ondas de sonido de nuevo en energía eléctrica. Los elementos piezocerámicos son los más a menudo en forma de disco, pero también pueden estar en forma de una barra o un anillo. Un transductor puede contener un elemento o una serie de elementos relacionados con una matriz. Un transductor está formado por seis componentes separados:
En la medición de nivel ultrasónico sin contacto, el sensor emite pulsos ultrasónicos en la dirección del medio, que luego los refleja hacia atrás. El tiempo transcurrido de la emisión a la recepción de las señales es proporcional al nivel en el tanque. Los sensores ultrasónicos son ideales para aplicaciones estándar simples, tanto para líquidos como para sólidos.