| Estado de Disponibilidad: | |
|---|---|
| Cantidad: | |
PHA-49-08HC
Piezohannas
PHA-49-08HC
Medición de la distancia del transductor de rango ultrasónico de 50kHz para la máquina de rango ultrasónica
Parámetros técnicos:
Elementos | Parámetros técnicos | Imagen | |
Nombre | Transductor ultrasónico de 49kHz |
| |
Modelo | PHA-49-08HC | ||
Frecuencia | 50 ± 2 kHz | ||
Distancia de detección | 0.25~6m | ||
Mínimo paralelo lmpeedance | 200Ω ± 20% | ||
4000PF ± 20%@ 1khz | |||
Sensibilidad | No hay carga dvoltaje de riving:500VPP,Distancia:0.6m、Amplitud de eco:180mechón | ||
-40~+ 80 ℃ | |||
≤3Kilos o0.3MPA | |||
(Amplitud de rayo) Ancho de haz de media potencia@ -3db: 9 ° ±10%, Ángulo agudo:21 ° ±10% | |||
Material de la carcasa | abdominales | ||
uso | Calibrador de nivel ultrasónico, anti-colisión ultrasónica, telegría ecterónica | ||
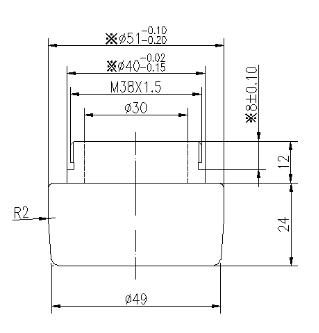
Comprobación del diagrama de estructura del producto a continuación | |||
Nivel de protección | IP68 | ||
Peso | 95g ± 5% | ||
Instrucciones de cableado | Interfaz: Red Plus, Blanco menos, alambre de escudo negro; | ||
Curva de admitancia | Diagrama de la estructura del producto | ||
| |||
Diagrama de bloques de transductor de distancia ultrasónica:
Diagrama esquemático del sensor de temperatura. (Modelo: MF58_502F3470):
Instrucción de cable de tipo integrado:
1. Instrucción relacionada con el transductor: interfaz (3pin, terminal de 2.54 mm)
Rojo: Transductor +
Blanco: Transductor -
Negro: blindaje
2.Cable instrucción de sensor de temperatura: interfaz (3pin, terminal de 2.0 mm)
Rojo y negro son el cableado del sensor de temperatura.
Tipo de división: cable de 10 m estándar, con cada 50 m adicionales de cable, la atenuación de la señal es 6dB
Instrucciones de cableado de tres núcleos:
Rojo: Transductor +
Azul: Sensor de temperatura +
Negro: Public-
Instrucciones de cableado de cuatro núcleos:
Rojo: Transductor +
Amarillo: Transducidor-
Azul, negro: sensor de temperatura
¿Qué entra en la realización de un transductor?
El componente principal de un transductor de profundidad es el elemento piezocerámico. Es la parte que convierte los pulsos eléctricos en ondas de sonido, y cuando vuelven los ecos, el elemento piezocerámico convierte las ondas de sonido de nuevo en energía eléctrica. Los elementos piezocerámicos son los más a menudo en forma de disco, pero también pueden estar en forma de una barra o un anillo. Un transductor puede contener un elemento o una serie de elementos relacionados con una matriz. Un transductor está formado por seis componentes separados:
Los buscadores de gama ultrasónica miden la distancia emitiendo un pulso de sonido ultrasónico que viaja a través del aire hasta que golpea un objeto. Cuando ese pulso de sonido golpea un objeto, se refleja en el objeto y se remonta al buscador de gama ultrasónica. El buscador de rango ultrasónico mide cuánto tiempo lleva el impulso de sonido en su viaje de ida y vuelta desde el sensor y la espalda. Luego, envía una señal al Arduino con información sobre cuánto tiempo le tomó para que el pulso Sonic viajara.
Los buscadores de gama ultrasónica son pequeños sensores divertidos que pueden medir la distancia. Puede usarlos para encontrar la distancia a un objeto, o para detectar cuando algo esté cerca del sensor como un detector de movimiento. Son ideales para proyectos que involucran navegación, evitación de objetos y seguridad en el hogar. Debido a que usan sonido para medir la distancia, funcionan tan bien en la oscuridad como lo hacen en la luz. Lo que puede medir distancias de 2 cm hasta 400 cm con una precisión de ± 3 mm.
Medición de la distancia del transductor de rango ultrasónico de 50kHz para la máquina de rango ultrasónica
Parámetros técnicos:
Elementos | Parámetros técnicos | Imagen | |
Nombre | Transductor ultrasónico de 49kHz |
| |
Modelo | PHA-49-08HC | ||
Frecuencia | 50 ± 2 kHz | ||
Distancia de detección | 0.25~6m | ||
Mínimo paralelo lmpeedance | 200Ω ± 20% | ||
4000PF ± 20%@ 1khz | |||
Sensibilidad | No hay carga dvoltaje de riving:500VPP,Distancia:0.6m、Amplitud de eco:180mechón | ||
-40~+ 80 ℃ | |||
≤3Kilos o0.3MPA | |||
(Amplitud de rayo) Ancho de haz de media potencia@ -3db: 9 ° ±10%, Ángulo agudo:21 ° ±10% | |||
Material de la carcasa | abdominales | ||
uso | Calibrador de nivel ultrasónico, anti-colisión ultrasónica, telegría ecterónica | ||
Comprobación del diagrama de estructura del producto a continuación | |||
Nivel de protección | IP68 | ||
Peso | 95g ± 5% | ||
Instrucciones de cableado | Interfaz: Red Plus, Blanco menos, alambre de escudo negro; | ||
Curva de admitancia | Diagrama de la estructura del producto | ||
| |||
Diagrama de bloques de transductor de distancia ultrasónica:
Diagrama esquemático del sensor de temperatura. (Modelo: MF58_502F3470):
Instrucción de cable de tipo integrado:
1. Instrucción relacionada con el transductor: interfaz (3pin, terminal de 2.54 mm)
Rojo: Transductor +
Blanco: Transductor -
Negro: blindaje
2.Cable instrucción de sensor de temperatura: interfaz (3pin, terminal de 2.0 mm)
Rojo y negro son el cableado del sensor de temperatura.
Tipo de división: cable de 10 m estándar, con cada 50 m adicionales de cable, la atenuación de la señal es 6dB
Instrucciones de cableado de tres núcleos:
Rojo: Transductor +
Azul: Sensor de temperatura +
Negro: Public-
Instrucciones de cableado de cuatro núcleos:
Rojo: Transductor +
Amarillo: Transducidor-
Azul, negro: sensor de temperatura
¿Qué entra en la realización de un transductor?
El componente principal de un transductor de profundidad es el elemento piezocerámico. Es la parte que convierte los pulsos eléctricos en ondas de sonido, y cuando vuelven los ecos, el elemento piezocerámico convierte las ondas de sonido de nuevo en energía eléctrica. Los elementos piezocerámicos son los más a menudo en forma de disco, pero también pueden estar en forma de una barra o un anillo. Un transductor puede contener un elemento o una serie de elementos relacionados con una matriz. Un transductor está formado por seis componentes separados:
Los buscadores de gama ultrasónica miden la distancia emitiendo un pulso de sonido ultrasónico que viaja a través del aire hasta que golpea un objeto. Cuando ese pulso de sonido golpea un objeto, se refleja en el objeto y se remonta al buscador de gama ultrasónica. El buscador de rango ultrasónico mide cuánto tiempo lleva el impulso de sonido en su viaje de ida y vuelta desde el sensor y la espalda. Luego, envía una señal al Arduino con información sobre cuánto tiempo le tomó para que el pulso Sonic viajara.
Los buscadores de gama ultrasónica son pequeños sensores divertidos que pueden medir la distancia. Puede usarlos para encontrar la distancia a un objeto, o para detectar cuando algo esté cerca del sensor como un detector de movimiento. Son ideales para proyectos que involucran navegación, evitación de objetos y seguridad en el hogar. Debido a que usan sonido para medir la distancia, funcionan tan bien en la oscuridad como lo hacen en la luz. Lo que puede medir distancias de 2 cm hasta 400 cm con una precisión de ± 3 mm.