Piezo Hannas (WuHan) Tech Co, .Ltd. Proveedor profesional de elementos piezocerámicos
Productos
Usted está aquí: Hogar / Productos / Transductores ultrasónicos / Transducer for Distance / Medición de distancia de 50kHz por diagrama de circuito de sensor ultrasónico

Categoría de productos

Realimentación

loading

Compartir con:
sharethis sharing button

Medición de distancia de 50kHz por diagrama de circuito de sensor ultrasónico

50 kHz | 12 ° | 0.3 ~ 8m | Utilizado para el sensor de distancia ultrasónico, sensor de nivel de líquido ultrasónico, buscador de rango ultrasónico, sensor ultrasónico para objetos detectados sin contacto, etc.

Acerca de Transductor de distancia ultrasónica, podemos ofrecer 14kHz 22KHZ 40KHZ 50KHZ 75KHZ 80KHZ 125KHZ 200KHZ 300KHZ 400KHZ En cuanto a la frecuencia resonante, también podemos acordar la personalización.
Estado de Disponibilidad:
Cantidad:
  • PH50F0621

  • Piezohannas

  • PH50F0621

Medición de distancia de 50kHz por diagrama de circuito de sensor ultrasónico



Parámetros técnicos:


Modelo

PH50F0621

Frecuencia resonante central (kHz)

50khz ± 4%

FrecuenciaBanda ancha

4khz

Distancia de detección

0.3 ~8m

Puntos ciegos

<0.3m

Lanzamiento de la viga de ángulo (-3DB Lleno Angle)

12± 2 °

Isensibilidad ntegrada(0 db =200 VP-Pperíodo50distancia40cm)

-60db min

Capacitancia electrostática

1600pf ± 20%

Impedancia mínima paralela

300Ω ± 30%

Voltaje de trabajo máximo (pulso - 2% de ciclo de trabajo)

800v

Temperatura de funcionamiento

-20 ~ 70 ℃

Temperatura de almacenamiento

-40 ~ 85 ℃

Nivel de protección

IP65

Instalación

Fijo con tornillo

Material de la Caja

abdominales




Foto:


Medición de distancia de 50kHz por diagrama de circuito de sensor ultrasónico


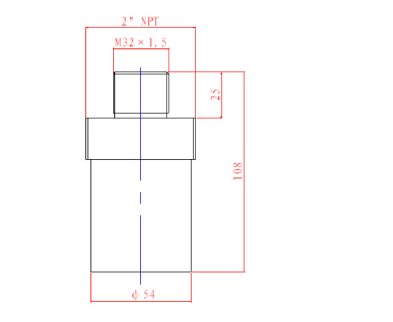
Dimensión del esquema:


I $ omvvc1vm $ 8 g} 2c] i`t0tj




Curva de resistencia a la frecuencia.


I} 0CE) Z6S% 86N82GHLTC} XX



Frecuencia-Curva de ángulo de fase

1kevr3km3llyb1qoi2f7s] 2


Dcurva de irectividad


Termistor incorporado: MF58-10K-5% -3435

Cableado: cuatro alambres blindados del núcleo,blanco - alambre de núcleo;

Alambre azul,amarillo - termistor; alambre blindado

EQQ} _G @% w5fhlj1r} `(wuad


Solicitud:


1. Ubicación de la posición

2.Aptarptar la medición

3. Medición de atafic.

Declaraciones de 4.voiding


Anterior: 
Siguiente: 

Productos calientes

Tecnología piezoeléctrica Co de Hannas (WuHan). El Ltd es fabricante de equipamiento ultrasónico profesional, dedicado a la tecnología ultrasónica y a las aplicaciones industriales.                                    
 

RECOMENDAR

CONTÁCTENOS

Agregar: No.456 Wu Luo Road, distrito de Wuchang, ciudad de Wuhan, provincia de HuBei, China.
Email:  sales@piezohannas.com
Teléfono: +86 27 81708689        
Teléfono: +86 15927286589          
QQ: 1553242848 
Skype: live:mary_14398
       
Copyright 2017 Piezo Hannas (WuHan) Tech Co, .Ltd. Todos los derechos reservados.
Productos