| Estado de Disponibilidad: | |
|---|---|
| Cantidad: | |
PHA-200-01KEKE
Piezohannas
PHA-200-01KE
Transductor ultrasónico de bajo costo Velocidad de viento y sensor de dirección para sensor de viento ultrasónico
Parámetros:
Elementos | Parámetros técnicos | Imagen | |
Nombre | 200 kHzTransductor ultrasónico |
| |
Modelo | PHA-200-01kE | ||
Frecuencia | 200khz ±5% | ||
Distancia de detección | 0.10~1.5m | ||
Mínimo Paralelo Lmpeedance | 455Ω ± 20% | ||
1410PF ± 20%@ 1khz | |||
Sensibilidad | Voltaje de conducción:800vpp,Distancia:0.3m, Amplitud de eco:30mechón | ||
-40~+ 80 ℃ | |||
≤3Kilos o 0.3MPA | |||
| (Amplitud de rayo)Ancho de haz de media potencia @ -3dB: 10 ° ± 2, Ángulo afilado: 24 ° ± 4 | ||
Alojamiento Material | Pom | ||
Uso | anemorumbometer, caudalímetro de gas | ||
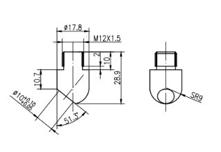
hilo:M12 * 1.5 | |||
Nivel de protección | IP68 | ||
Peso | 8.5g± 5% (Lengreído:25cm) | ||
Instrucciones de cableado | Tipo integrado: Conector: rojo +, blanco-, negro: alambre blindado;
| ||
Curva de admitancia | Diagrama de la estructura del producto | ||
| |||
Solicitud de sensor de anemómetro ultrasónico:
El anemómetro ultrasónico tiene toda la detección de señal digital, alta precisión, capacidad de calentamiento automáticamente para eliminar la nieve y el hielo. Es el anemómetro con medición en tiempo real de la velocidad del viento, la dirección del viento y la temperatura acústica. Un anemómetro ultrasónico típico consta de 2 pares de transductores ultrasónicos. montado en ángulo recto entre sí como se muestra en la siguiente figura. Cada sensor es capaz de transmitir y recibir pulsos ultrasónicos. La distancia física entre los sensores orientados opuestos es fija y conocida. Durante la operación, el tiempo realizado para un pulso ultrasónico de sonido para viajar desde el Transductor del Norte (N) hasta el Transductor South (S) se compara con el tiempo para que un pulso viaje desde S a N Transductor. Si no hubiera soplar viento, las dos veces deberían igualar exactamente. De lo contrario, la onda de sonido que viaja con el viento debe llegar antes del sonido que viaja contra él. Por ejemplo, si hay un viento que sopla a N, el tiempo de viaje de N a S sería más comparado con los S a n Tiempo de viaje. La diferencia en el tiempo de vuelo puede dar la velocidad relativa del viento a lo largo del eje NS. De manera similar, los tiempos de vuelo también se comparan a lo largo de las instrucciones este-oeste y del oeste para calcular la velocidad del viento a lo largo del eje EW. Luego, los dos componentes de velocidad rectangular del viento se combinan para calcular el vector del viento con una suma resultante y un ángulo de velocidad del viento. La disposición del sensor que se muestra a continuación le da solo la velocidad del viento horizontal. La medición de una velocidad de viento tridimensional requiere arreglos de sensores a lo largo de la dirección vertical.
Imagen de la aplicación:
Transductor ultrasónico de bajo costo Velocidad de viento y sensor de dirección para sensor de viento ultrasónico
Parámetros:
Elementos | Parámetros técnicos | Imagen | |
Nombre | 200 kHzTransductor ultrasónico |
| |
Modelo | PHA-200-01kE | ||
Frecuencia | 200khz ±5% | ||
Distancia de detección | 0.10~1.5m | ||
Mínimo Paralelo Lmpeedance | 455Ω ± 20% | ||
1410PF ± 20%@ 1khz | |||
Sensibilidad | Voltaje de conducción:800vpp,Distancia:0.3m, Amplitud de eco:30mechón | ||
-40~+ 80 ℃ | |||
≤3Kilos o 0.3MPA | |||
| (Amplitud de rayo)Ancho de haz de media potencia @ -3dB: 10 ° ± 2, Ángulo afilado: 24 ° ± 4 | ||
Alojamiento Material | Pom | ||
Uso | anemorumbometer, caudalímetro de gas | ||
hilo:M12 * 1.5 | |||
Nivel de protección | IP68 | ||
Peso | 8.5g± 5% (Lengreído:25cm) | ||
Instrucciones de cableado | Tipo integrado: Conector: rojo +, blanco-, negro: alambre blindado;
| ||
Curva de admitancia | Diagrama de la estructura del producto | ||
| |||
Solicitud de sensor de anemómetro ultrasónico:
El anemómetro ultrasónico tiene toda la detección de señal digital, alta precisión, capacidad de calentamiento automáticamente para eliminar la nieve y el hielo. Es el anemómetro con medición en tiempo real de la velocidad del viento, la dirección del viento y la temperatura acústica. Un anemómetro ultrasónico típico consta de 2 pares de transductores ultrasónicos. montado en ángulo recto entre sí como se muestra en la siguiente figura. Cada sensor es capaz de transmitir y recibir pulsos ultrasónicos. La distancia física entre los sensores orientados opuestos es fija y conocida. Durante la operación, el tiempo realizado para un pulso ultrasónico de sonido para viajar desde el Transductor del Norte (N) hasta el Transductor South (S) se compara con el tiempo para que un pulso viaje desde S a N Transductor. Si no hubiera soplar viento, las dos veces deberían igualar exactamente. De lo contrario, la onda de sonido que viaja con el viento debe llegar antes del sonido que viaja contra él. Por ejemplo, si hay un viento que sopla a N, el tiempo de viaje de N a S sería más comparado con los S a n Tiempo de viaje. La diferencia en el tiempo de vuelo puede dar la velocidad relativa del viento a lo largo del eje NS. De manera similar, los tiempos de vuelo también se comparan a lo largo de las instrucciones este-oeste y del oeste para calcular la velocidad del viento a lo largo del eje EW. Luego, los dos componentes de velocidad rectangular del viento se combinan para calcular el vector del viento con una suma resultante y un ángulo de velocidad del viento. La disposición del sensor que se muestra a continuación le da solo la velocidad del viento horizontal. La medición de una velocidad de viento tridimensional requiere arreglos de sensores a lo largo de la dirección vertical.
Imagen de la aplicación: