Piezo Hannas (WuHan) Tech Co, .Ltd. Proveedor profesional de elementos piezocerámicos
Productos
Usted está aquí: Hogar / Productos / Transductores ultrasónicos / Transducer for Gas Meter / Abrazadera de 200 kHz en el transductor de medidor de flujo de gas natural ultrasónico afuera

Categoría de productos

Realimentación

loading

Compartir con:
sharethis sharing button

Abrazadera de 200 kHz en el transductor de medidor de flujo de gas natural ultrasónico afuera

Transductor ultrasónico para anemorumbómetro, medidor de flujo de gas ultrasónico
Estado de Disponibilidad:
Cantidad:
  • PHA-200-01kg

  • Piezohannas

  • PHA-200-01KG

Abrazadera de 200 kHz en el transductor de medidor de flujo de gas natural ultrasónico afuera


Elementos

Parámetros técnicos

Imagen

Nombre

200 kHzTransductor ultrasónico

`C3 @ $ EC% 34ZU`RFF6C41

Modelo

PHA-200-01kG

Frecuencia

200khz ±5%

Distancia de detección

0.101.5m

Mínimo

Paralelo Lmpeedance

600Ω ± 20

Capacidad

800PF ± 20@ 1khz

Sensibilidad

Voltaje de conducción800vppDistancia:0.3m

Amplitud de eco25mechón

Operando

Voltaje

Cima Voltaje1000 VPP

Operando

Temperatura

-40+ 80 ℃

Presión

≤3Kilos o 0.3MPA

Ángulo

(Amplitud de rayo) Ancho de haz de media potencia@ -3db:8.4° ± 2

Ángulo agudo:20° ± 4

Alojamiento Material

Pom

Uso

Anemorumbómetro ,gramoComo caudalímetro

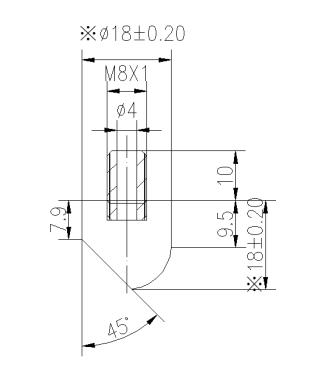
Instalación

Dimensión

hiloM8 * 1

Nivel de protección

IP68

Peso

10g ± 5% (Lengreído25cm

Instrucciones de cableado

integratTipo de edconectorRojo +Blanco-Negro: Alambre blindado

Curva de admitancia

Diagrama de la estructura del producto

9} {E9) R3 @ AM7L488 $ G158) G

Kgsl% 6fpa2py (O3_YCK043U





Anterior: 
Siguiente: 

Productos calientes

Tecnología piezoeléctrica Co de Hannas (WuHan). El Ltd es fabricante de equipamiento ultrasónico profesional, dedicado a la tecnología ultrasónica y a las aplicaciones industriales.                                    
 

RECOMENDAR

CONTÁCTENOS

Agregar: No.456 Wu Luo Road, distrito de Wuchang, ciudad de Wuhan, provincia de HuBei, China.
Email:  sales@piezohannas.com
Teléfono: +86 27 81708689        
Teléfono: +86 15927286589          
QQ: 1553242848 
Skype: live:mary_14398
       
Copyright 2017 Piezo Hannas (WuHan) Tech Co, .Ltd. Todos los derechos reservados.
Productos