| Estado de Disponibilidad: | |
|---|---|
| Cantidad: | |
PHW-1 M-01LB
Piezohannas
PHW-1M-01LB
Transductor ultrasónico submarino anti-corrosión de 1MHz para el medidor de flujo ultrasónico
1. Introducción
USundoder de Nderwatertransductor Utiliza ondas ultrasónicas para transmitir bajo el agua, y se refleja hacia atrás cuando cumplen con el objeto medido. Puede detectar la distancia entre el sensor y el objeto medido y luego se transmite a los barcos, las boyas, los vehículos aéreos no tripulados subacuáticos, etc. como un escalofriante, puede También se utilizará para la medición de distancia subacuática.
El nivel de protección del producto alcanza el nivel IP68, y puede empaparse durante mucho tiempo bajo el agua 100 metros sin daños.(Tenga en cuenta que la parte de la salida del cable del instrumento debe estar sellada de manera confiable después del cableado para evitar el agua)
2. Parámetros técnicos:
Elementos | Parámetros técnicos | Imagen | |
Nombre | 1MHZ anticorrosión Transductor ultrasónico submarino |
| |
Modelo | PHW-1m-01lb | ||
Frecuencia | 1MHZ±5% | ||
Distancia de detección | 0.05~3m | ||
Mínimo Paralelo Lmpeedance | 220Ω ± 20% | ||
1300pf ± 20%@ 1khz | |||
Sensibilidad | Voltaje de conducción: 24VPP, Distancia: 0.3m, Amplitud de eco: 150mv | ||
-40~+ 80 ℃ | |||
≤3Kilos o 0.3MPA | |||
| (Amplitud de rayo)Ancho de haz de media potencia @ -3db: 4.5 ° ± 1, Ángulo afilado: 10.5 ° ± 4 | ||
Alojamiento Material | PUEF y aleación de titanio | ||
Uso | Flowmeter ultrasónico, buscador de rango submarino | ||
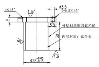
Ver el dibujo de la estructura del producto. | |||
Nivel de protección | IP68 | ||
Peso | 80g ± 5%(Longitud: 2m) | ||
Instrucciones de cableado | Tipo integrado: rojo +, blanco-, negro: alambre blindado; (sin sensor de temperatura por defecto) | ||
Curva de admitancia | Diagrama de la estructura del producto | ||
| |||
3. Diagrama esquemático del sensor de temperatura del transductor, diagrama esquemático del circuito de prueba
Transductor ultrasónico submarino anti-corrosión de 1MHz para el medidor de flujo ultrasónico
1. Introducción
USundoder de Nderwatertransductor Utiliza ondas ultrasónicas para transmitir bajo el agua, y se refleja hacia atrás cuando cumplen con el objeto medido. Puede detectar la distancia entre el sensor y el objeto medido y luego se transmite a los barcos, las boyas, los vehículos aéreos no tripulados subacuáticos, etc. como un escalofriante, puede También se utilizará para la medición de distancia subacuática.
El nivel de protección del producto alcanza el nivel IP68, y puede empaparse durante mucho tiempo bajo el agua 100 metros sin daños.(Tenga en cuenta que la parte de la salida del cable del instrumento debe estar sellada de manera confiable después del cableado para evitar el agua)
2. Parámetros técnicos:
Elementos | Parámetros técnicos | Imagen | |
Nombre | 1MHZ anticorrosión Transductor ultrasónico submarino |
| |
Modelo | PHW-1m-01lb | ||
Frecuencia | 1MHZ±5% | ||
Distancia de detección | 0.05~3m | ||
Mínimo Paralelo Lmpeedance | 220Ω ± 20% | ||
1300pf ± 20%@ 1khz | |||
Sensibilidad | Voltaje de conducción: 24VPP, Distancia: 0.3m, Amplitud de eco: 150mv | ||
-40~+ 80 ℃ | |||
≤3Kilos o 0.3MPA | |||
| (Amplitud de rayo)Ancho de haz de media potencia @ -3db: 4.5 ° ± 1, Ángulo afilado: 10.5 ° ± 4 | ||
Alojamiento Material | PUEF y aleación de titanio | ||
Uso | Flowmeter ultrasónico, buscador de rango submarino | ||
Ver el dibujo de la estructura del producto. | |||
Nivel de protección | IP68 | ||
Peso | 80g ± 5%(Longitud: 2m) | ||
Instrucciones de cableado | Tipo integrado: rojo +, blanco-, negro: alambre blindado; (sin sensor de temperatura por defecto) | ||
Curva de admitancia | Diagrama de la estructura del producto | ||
| |||
3. Diagrama esquemático del sensor de temperatura del transductor, diagrama esquemático del circuito de prueba