Piezo Hannas (WuHan) Tech Co, .Ltd. Proveedor profesional de elementos piezocerámicos
Productos
Usted está aquí: Hogar / Productos / Transductores ultrasónicos / Transducer for Flowmeter / 1 Mhz Caudalímetro ultrasónico transductor ultrasónico Heat Meter transductor

Categoría de productos

Realimentación

loading

Compartir con:
sharethis sharing button

1 Mhz Caudalímetro ultrasónico transductor ultrasónico Heat Meter transductor

Transductor de medidor de calor ultrasónico de 1MHz
Estado de Disponibilidad:
Cantidad:
  • Ph001000mqb

  • Piezohannas

  • PH001000MQB

Transductor de medidor de calor ultrasónico ultrasónico de 1MHZ Transductor de flujo ultrasónico



Parámetros técnicos:

Modelo

Ph001000mqb

Frecuencia resonante central (kHz)

1.0mhz ± 5%

ancho de banda de frecuencia

10%

Lanzamiento de la viga de ángulo (-3DB Lleno Angle)

6 ± 2 °

Sensibilidad integrada (0 dB = 3 VP-P; Período: 8, Distancia: 7 cm

-23db min

Capacitancia electrostática

1200pf ± 20%

Impedancia mínima paralela

120Ω ± 30%

Voltaje de trabajo máximo (pulso - 2% de ciclo de trabajo)

300V

Temperatura de funcionamiento

0100 ℃

Nivel de protección

IP68

MWP (presión de trabajo máxima)

1.6MPA

Material de la carcasa

Pps



Imagen:


Transductor de medidor de calor ultrasónico

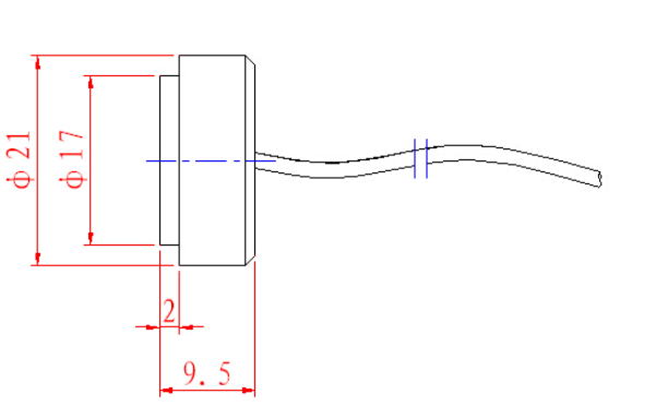
Dimensión del esquema:


Gy {snd ({pgo617] gm} 3a] 3

Resistencia a la frecuencia Curva



HX {F [36AK_`33IOHD2T4X


FrecuenciaCurva de ángulo de fase


(Nley`} _z% 2g} jxddfyahpa


Sensibilidad integrada:


Enviando voltaje:3Vp-pperíodo8,distancia7cm


@ 2z4 (M8krurd $ Ulojp $} WSV



Anterior: 
Siguiente: 

Productos calientes

Tecnología piezoeléctrica Co de Hannas (WuHan). El Ltd es fabricante de equipamiento ultrasónico profesional, dedicado a la tecnología ultrasónica y a las aplicaciones industriales.                                    
 

RECOMENDAR

CONTÁCTENOS

Agregar: No.456 Wu Luo Road, distrito de Wuchang, ciudad de Wuhan, provincia de HuBei, China.
Email:  sales@piezohannas.com
Teléfono: +86 27 81708689        
Teléfono: +86 15927286589          
QQ: 1553242848 
Skype: live:mary_14398
       
Copyright 2017 Piezo Hannas (WuHan) Tech Co, .Ltd. Todos los derechos reservados.
Productos