Piezo Hannas (WuHan) Tech Co, .Ltd. Proveedor profesional de elementos piezocerámicos
Noticia
Usted está aquí: Hogar / Noticias / Información del transductor ultrasónico / Investigación sobre el sistema de control de nivel automático diseñado por sensor ultrasónico.

Investigación sobre el sistema de control de nivel automático diseñado por sensor ultrasónico.

Vistas:0     Autor:Editor del sitio     Hora de publicación: 2020-07-17      Origen:Sitio

Preguntar

facebook sharing button
twitter sharing button
line sharing button
wechat sharing button
linkedin sharing button
pinterest sharing button
whatsapp sharing button
sharethis sharing button

Resumen de funciones del sistema y diagrama de bloques

Este diseño utiliza MCS-51 microordenador de un solo chip combinado con el chip digital y circuito analógico para completar la detección y el control automático de nivel de agua. Lo básicopartes del sensor de ultrasonidosque el anfitrión establece el nivel de líquido de sí mismo y el esclavo a través del teclado, el sensor mide ultrasónicos el valor de tensión correspondientes al nivel de agua corriente, y después lo envía al controlador y la compara con el valor ajustado a través de la analógica-digital de conversión, y el single-chip controles de ordenador de la válvula de solenoide de ajustar el nivel de líquido del anfitrión, y mostrar el valor de ajuste y el valor actual en la pantalla LCD; el controlador de host transmite el valor de ajuste para el controlador esclavo a través de 485 de comunicación, y el controlador esclavo también puede controlar el nivel de líquido como el controlador de host, y mostrar el valor de ajuste y el valor de nivel de líquido actual del host a través de la pantalla LCD; y utilizar 485 de comunicación para enviar el nivel de líquido actual del esclavo al host y mostrarlo.

El sistema se compone de un solo chip de datos del sistema de microordenador de procesamiento de módulos, el módulo de entrada de datos de A / D, 485 módulo de comunicación, control de nivel de líquido y el módulo de alarma, el teclado y el módulo de pantalla. Esquema de demostración y comparación consideran los requerimientos del sistema. En el proceso de selección del dispositivo, la atención se centra en la selección desensor de nivel de líquido ultrasónicoy de analógico a digital de los chips de conversión.

sensor

Durante el proceso de diseño del sistema, se seleccionaron y se compararon los tres sensores ultrasónicos siguientes.

Solución 1: Sensor de presión

En la actualidad, la mayoría de los sensores de presión de nivel de líquido son los transmisores de nivel de líquido de presión estática de entrada, y los sensores de nivel de líquido de presión estática de entrada solo pueden medirse con precisión con referencia a la presión atmosférica. Sin embargo, la ventilación en el cable de conexión se verá afectada por el entorno, causando la pared interna de la condensación de tráquea, condensación. Las gotas de rocío en dispositivos electrónicos y sensores pueden afectar la precisión o la deriva de la producción. Al mismo tiempo, si la condensación es demasiado rápida, la vida útil del transmisor se acortará enormemente. Este sensor de presión se ve afectado fácilmente por el medio ambiente y causa una medición inexacta, y es inconveniente de instalar.

Opción 2: Sensor de presión piezoresistiva

El sensor piezoresistivo utiliza un proceso de circuito integrado para hacer directamente a un varistor difuso en un diafragma plana de silicona en una cierta orientación de cristal; El diafragma plano de silicona tiene buenas propiedades elásticas cuando está ligeramente deformada. Cuando se presiona la oblea de silicio, la deformación del diafragma provoca la resistencia de la resistencia de difusión para cambiar; Este varistor se ve fácilmente afectado por el entorno externo, como la temperatura, lo que resulta en una medición inexacta, y el volumen es generalmente grande, no es fácil de instalar y no es fácil de transportar; Generalmente su precisión es relativamente baja. No puede satisfacer las necesidades del diseño.

Solución 3: Sensor ultrasónico.

El sensor ultrasónico es el primer sensor pequeño con la función de configuración de llave y la función de autodiagnóstico en la industria. Aunque es pequeño, tiene las funciones de otros sensores grandes. Es fácil de instalar y usar y no se ve afectado por el color del objeto de medición. Tiene muchas funciones especiales, tales como: Montaje de autodiagnóstico LED y función de configuración de tecla, función de compensación de temperatura, que puede elegir cantidad analógica o salida de interruptores, etc.; Su tornaje de alimentación es de 10 ~ 30V, el rango de medición es de 30 mm ~ 300 mm, el voltaje de salida es 0V ~ 10V, la corriente de salida es de 4 mA ~ 20mA, la impedancia de carga mínima es de 2,5 ohmios, y la precisión puede alcanzar 0.5mm, la forma se divide. en tipo de tipo recto y ángulo recto. El calibre de inducción es de 18 mm. El sensor ultrasónico tiene las condiciones para cumplir con el control de nivel de líquido de 0-25 cm requerido por el diseño, y el requisito de que el error de nivel de líquido no exceda ± 0.3 cm, y resuelve el problema de la instalación inconveniente. Por lo tanto, este diseño selecciona un sensor ultrasónico con alta precisión y tamaño pequeño.

Convertidor A / D

La precisión y el rendimiento del convertidor A / D utilizado afectan directamente la precisión de los datos recibidos por el microcontrolador de back-end. Aquí comparamos y analizamos los siguientes dos convertidores de anuncios.

Solución 1: Use un convertidor ADC0809 A / D de 8 bits

ADC0809 es un uso común A / convertidor de 8 bits D, que es un tipo de aproximación sucesiva. ADC0809 es alimentado por una sola + 5V. El chip contiene 8 conmutadores electrónicos analógicos con una función de enganche, que puede responder a 0 a + 5V voltajes 8 analógicas. La señal es convertida en tiempo compartido, y se tarda unos 100us para completar una conversión, por lo que la velocidad es más rápida, pero el chip ADC0809 tiene baja resolución y precisión insuficiente, que no puede cumplir los requisitos de este sistema y no se utiliza.

Opción 2: Adoptar 4 y un medio integral doble A / D ICL7135 convertidor

ICL7135 es un convertidor A / D ampliamente utilizado, un convertidor integral A / D con salida de código BCD dinámico. Sus características son: alta precisión, salida de conversión automática de la polaridad, la calibración del cero automático, la operación de alimentación sencilla, y salida de código BCD dinámico. Desde el tiempo doble integración del método de integración doble es relativamente largo, la velocidad de conversión A / D es lenta, por lo general (3 a 10) veces / s. Además, la integración de la señal de interferencia cambia periódicamente es cero, y el rendimiento anti-interferencia también es relativamente buena. En el caso de la misma precisión, el precio es más bajo que el del tipo de aproximaciones sucesivas conversor A / D, por lo que es más conveniente utilizar este tipo de convertidor A / D en las ocasiones en que el requisito de velocidad no es muy alta.

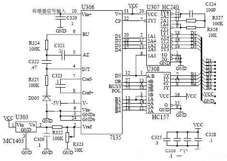
Teniendo en cuenta los requisitos de lasensor de ultrasonido para la medición de distancia , Este diseño utiliza el convertidor ICL7135 A / D con el circuito de hardware circuito accuracy.Hardware alto control y design.The software de este diseño incluye el circuito del sistema mínimo, el control de nivel de líquido y el circuito de alarma, adquisición de la señal y el circuito de transmisión, el teclado y el módulo de visualización sistema .Minimal (circuito de alimentación y de e / expansión O y el circuito de luz estroboscópica) .La placa base más pequeña utilizada en este diseño se basa en la 80C52 microcontrolador, y tiene buena escalabilidad. La CPU está conectado con un oscilador de cristal de 11.0592MHz, que se compone principalmente de un circuito de retención 74LS373, un circuito de decodificación de 74LS138, botones, un dispositivo de visualización, un ICL7135 y sus circuitos típicos periféricos, y los usos 8255 para ampliar la I / O interfaz. El circuito de sistema mínimo se muestra en la Figura 2.


2MKH3``Q1KQL43ID_UZ9XF


diseño de software

La parte software utiliza principalmente 51 series de un solo chip de microordenador como el controlador, la tensión de salida del sensor es muestreada, el valor muestreado se compara con el valor de consigna, los controles de microordenador de un solo chip la válvula de solenoide para ajustar el nivel de líquido, el anfitrión establece el valor de la extensión a través de 485 de comunicación, y controlar el controlador de extensión del nivel de líquido de extensión. La parte software incluye parte ICL7135 muestreo, 485 parte de comunicación, parte de procesamiento digital, parte de visualización, parte de teclado y así sucesivamente. A fin de evitar los datos de medición inexactos causados ​​por el movimiento del sensor de ultrasonido para la medición de distancia, es especialmente añadió una función de ajuste de cero a mejorar aún más la precisión del sistema. El gráfico principal de flujo del programa se muestra en la Figura 4.


) 9MF% 89GD7J9 (I`VIWR

resultados y análisis experimentales

El equipo de prueba requiere es un medio de alta precisión multímetro, escala, y un osciloscopio digital de 100M doble traza digital de 4 dígitos.


B1KJQ5QN2H`LTA0 LX95 %%


De los datos anteriores, podemos ver que la precisión de los datos de prueba de cada unidad de detección del sistema es muy alta, el valor de visualización de cristal líquido y el valor medido son muy cerca del valor determinado, existe una relación lineal con la salida del sensor voltaje, y una cierta relación proporcional con el peso, esto es inseparable de la elección del hardware y la coincidencia de sus parámetros y la elección de algoritmos de control de software.


resumen de diseño

Este diseño utiliza hardware, tales como sensor de ultrasonidos, ICL7135 y otros chips de alta precisión e instrumentos para la medición de nivel de líquido, por lo que la exactitud de nivel de líquido es mucho mayor que el requisito de que el error de nivel de líquido no exceda ± 0,3 cm. Este diseño también utiliza la comunicación MAX485, OCM4X8C LCD de pantalla de cristal líquido y otros chips y componentes, lo que hace el diseño más en línea con los requisitos de las aplicaciones reales, y reduciendo correspondientemente la dificultad de diseño de software. En el software, el uso de métodos de programación estandarizados reduce eficazmente el espacio de almacenamiento requerido por el programa. En la actualidad, este tema se utiliza principalmente para la detección de nivel del agua subterránea.


Tecnología piezoeléctrica Co de Hannas (WuHan). El Ltd es fabricante de equipamiento ultrasónico profesional, dedicado a la tecnología ultrasónica y a las aplicaciones industriales.                                    
 

RECOMENDAR

CONTÁCTENOS

Agregar: No.456 Wu Luo Road, distrito de Wuchang, ciudad de Wuhan, provincia de HuBei, China.
Email:  sales@piezohannas.com
Teléfono: +86 27 81708689        
Teléfono: +86 15927286589          
QQ: 1553242848 
Skype: live:mary_14398
       
Copyright 2017 Piezo Hannas (WuHan) Tech Co, .Ltd. Todos los derechos reservados.
Productos